Operation CHARM
: Car repair manuals for everyone.
Home
>>
GMC
>>
2001
>>
C 1500 Yukon 2WD V8-5.3L VIN T
>>
Repair and Diagnosis
>>
Heating and Air Conditioning
>>
Diagrams
>>
Electrical Diagrams
>>
HVAC System - Manual
>>
Blower Controls - Primary
>>
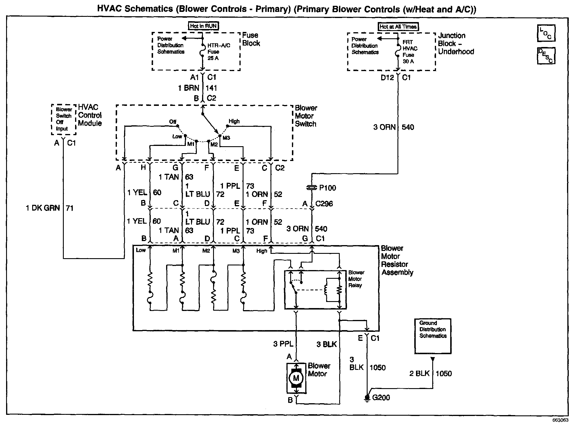
Primary Blower Controls (W/Heat and A/C)
Primary Blower Controls (W/Heat and A/C)
HVAC Schematics: Blower Controls - Primary (Primary Blower Controls (W/Heat And A/C)):