Operation CHARM
: Car repair manuals for everyone.
Home
>>
GMC
>>
2001
>>
C 1500 Yukon 2WD V8-5.3L VIN T
>>
Repair and Diagnosis
>>
Heating and Air Conditioning
>>
Diagrams
>>
Electrical Diagrams
>>
HVAC System - Manual
>>
Blower Controls - Auxiliary
>>
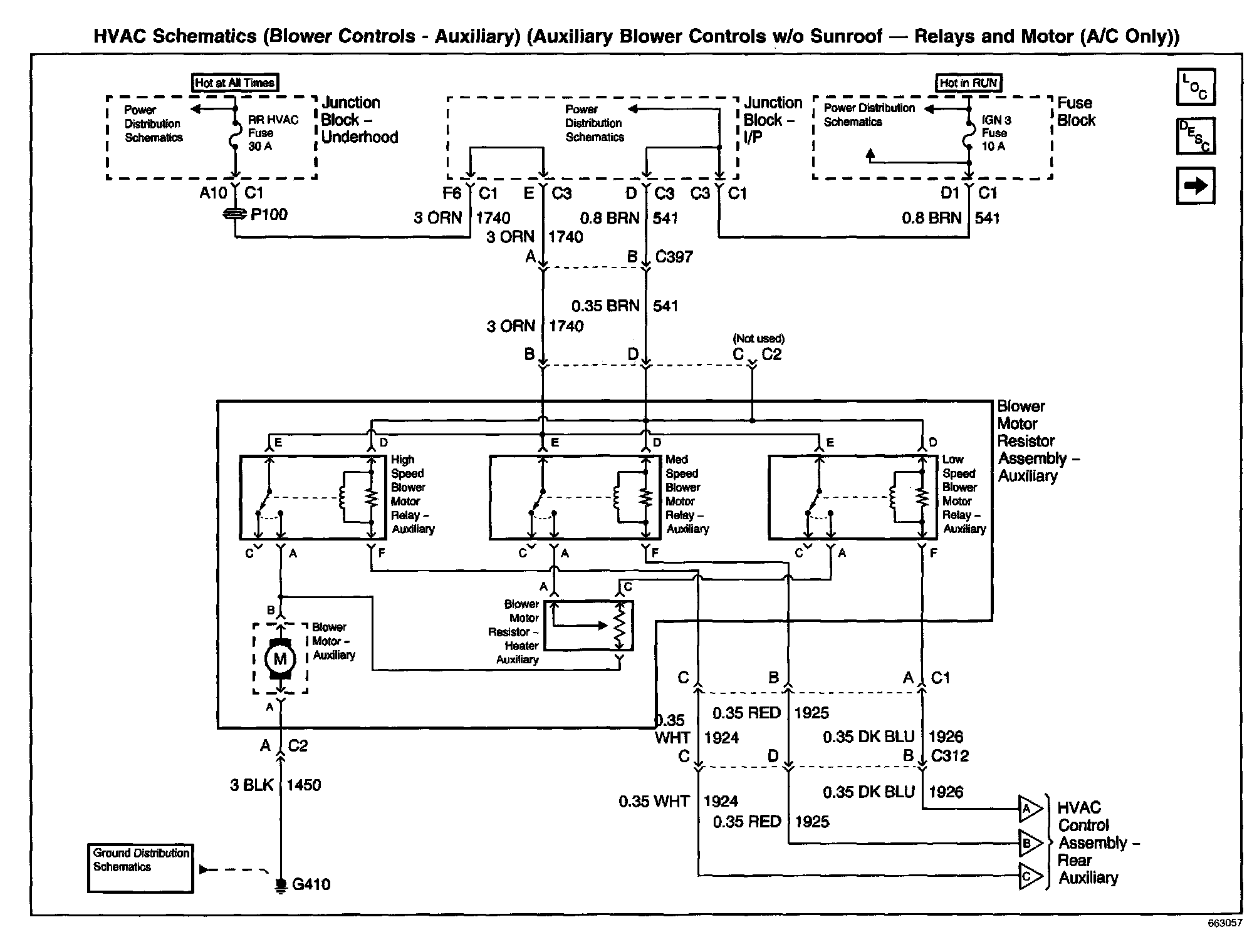
Auxiliary Blower Controls W/O Sunroof - Relays And Motor (A/C Only)
Auxiliary Blower Controls W/O Sunroof - Relays And Motor (A/C Only)
HVAC Schematics: Blower Controls - Auxiliary (Auxiliary Blower Controls W/O Sunroof - Relays And Motor (A/C Only)):