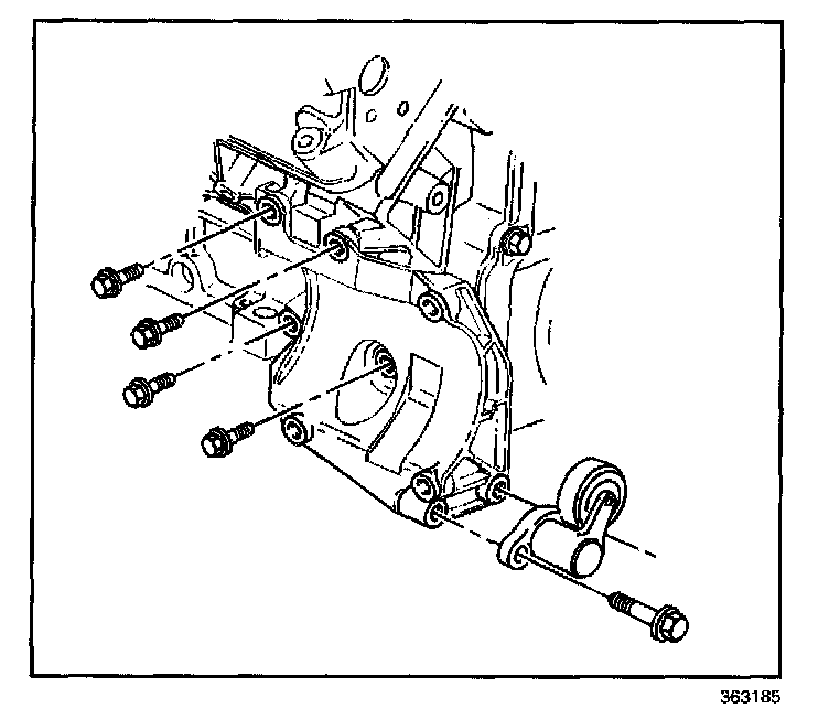
Compressor Mounting Bracket Replacement
REMOVAL PROCEDURE
1. Remove the A/C compressor.
2. Remove the A/C compressor bracket mounting bolts.
3. Remove the A/C compressor bracket.
INSTALLATION PROCEDURE

1. Install the A/C compressor bracket.
NOTE: Refer to Fastener Notice in Service Precautions.
2. Install the A/C compressor bracket mounting bolts.
Tighten
Tighten the bolts to 50 N.m (37 lb ft).
3. Install the A/C compressor.