Compressor Replacement (W/ Denso)
TOOLS REQUIREDJ 39400-A Halogen Leak Detector
REMOVAL PROCEDURE

1. Recover the refrigerant. Refer to Refrigerant Recovery and Recharging.
2. Remove the air conditioning (A/C) drive belt.
3. Raise and support the vehicle. Refer to Lifting and Jacking the Vehicle.
4. Remove the right front tire and wheel assembly.
5. Remove the wheel house panel from the vehicle.
6. Remove the discharge hose bolt from the A/C compressor.
7. Disconnect the discharge hose from the A/C compressor.
8. Remove the suction hose bolt from the A/C compressor.
9. Disconnect the suction hose from the A/C compressor.
10. Discard the sealing washers. Cap all of the openings.
11. Disconnect the electrical connections.
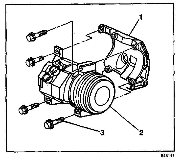
12. Remove the A/C compressor mounting bolts. The lower right bolt (3) will stay with the compressor due to a lack of clearance.
13. Remove the A/C compressor (2) from the bracket (1) through the fender well.
14. If replacing the A/C compressor, drain and measure as much of the oil as possible from the removed compressor.
14.1. Drain the oil from both the suction and discharge ports of the removed A/C compressor into a clean container.
14.2. Remove the A/C compressor crankcase oil drain plug and drain the crankcase oil into the same container.
14.3. Measure and record the amount of oil drained from the removed A/C compressor.
This measurement will be used during installation of the replacement A/C compressor.
INSTALLATION PROCEDURE

1. Install the A/C compressor (2) to the bracket (1) through the fender well. Insert the mounting bolt (3) into the lower right mounting boss before installing the A/C compressor.
2. Install the A/C compressor to the bracket from the bottom. Insert the mounting bolt into the lower right mount before installing the A/C compressor.
NOTE: Refer to Fastener Notice in Service Precautions.
3. Install the A/C compressor mounting bolts.
Tighten
Tighten the bolts to 50 N.m (37 lb ft).
4. Connect the electrical connection.
5. Connect the A/C discharge hose to the compressor using new sealing washers.
6. Install the A/C discharge hose bolt to the A/C compressor.
Tighten
Tighten the A/C discharge hose bolt to 16 N.m (12 lb ft).
7. Connect the A/C suction hose to the compressor using new sealing washers.
8. Install the A/C suction hose bolt to the A/C compressor.
Tighten
Tighten the A/C suction hose bolt to 16 N.m (12 lb ft).
9. Install the wheel house panel to the vehicle.
10. Install the right front tire and wheel assembly. Refer to Tire and Wheel Removal and Installation in Tires and Wheels.
11. Lower the vehicle. Refer to Lifting and Jacking the Vehicle.
12. Install the A/C drive belt.
13. Evacuate and recharge the A/C system. Refer to Refrigerant Recovery and Recharging.
14. Leak test the fittings of the component using the J 39400-A.