Heater Door Replacement
REMOVAL PROCEDURE
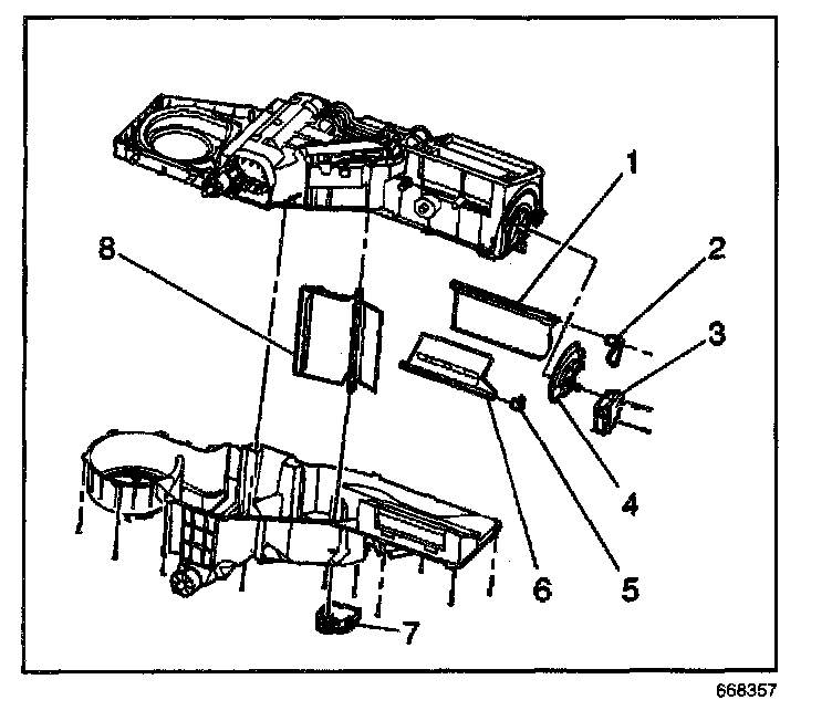
1. Remove the HVAC module. Refer to Heater/Vent Module Replacement.
2. Remove the HVAC module screws.
3. Separate the HVAC module.
4. Remove the mode actuator (3).
5. Remove the mode actuator cam assembly (4).
6. Remove the heater door cam assembly (5).
7. Remove the heater door (6).
INSTALLATION PROCEDURE

1. Remove the heater door (6).
2. Install the heater door cam assembly (5).
3. Install the mode actuator cam assembly (4).
4. Install the mode actuator (3).
5. Install the HVAC module halves.
NOTE: Refer to Fastener Notice in Service Precautions.
6. Install the HVAC module screws.
Tighten
Tighten the screws to 1.6 N.m (14 lb in).
7. Install the HVAC module. Refer to Heater/Vent Module Replacement.