Rear Coil Spring Replacement
Removal Procedure

1. Raise and support the vehicle. Refer to Vehicle Lifting.
2. Support the rear axle.
3. Disconnect the Real Time Damping (RTD) sensor, if equipped. Refer to Rear Position Sensor Link Assembly Replacement - Electronic Suspension in Real Time Damping (RTD).

4. Remove the stabilizer shaft link retaining nut from the stabilizer shaft.

5. Remove the lower shock absorber nut and bolt from the rear axle.
6. Lower the rear axle until the springs are fully unloaded.
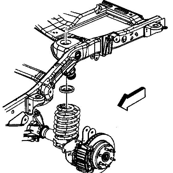
7. Remove the coil spring and the upper insulator.
Installation Procedure

1. Install the coil spring and the upper insulator.
2. Raise the rear axle.

Notice: Refer to Fastener Notice in Service Precautions.
3. Install the lower shock absorber retaining nut and bolt to the rear axle.
- Tighten the lower shock absorber retaining nut and bolt to 95 Nm (70 ft. lbs.).

4. Install the stabilizer shaft link to the stabilizer shaft.
Important: When tightening the lower link nut verify that the inner jam nut bottoms out on the ball stud.
5. Install the stabilizer shaft link retaining nut.
- Tighten the stabilizer shaft link retaining nut to 65 Nm (48 ft. lbs.).
6. Connect the RTD sensor, if equipped. Refer to Rear Position Sensor Link Assembly Replacement - Electronic Suspension in Real Time Damping (RTD).
7. Remove the rear axle support.
8. Lower the vehicle.