Front Coil Spring Replacement
FRONT COIL SPRINGS REPLACEMENT
- Tools Required
- J 23028-15 Coil Spring Remover and Installer
- J 23028-01 Coil Spring Remover and Installer
Removal Procedure

1. Raise and support the vehicle. Refer to Vehicle Lifting.
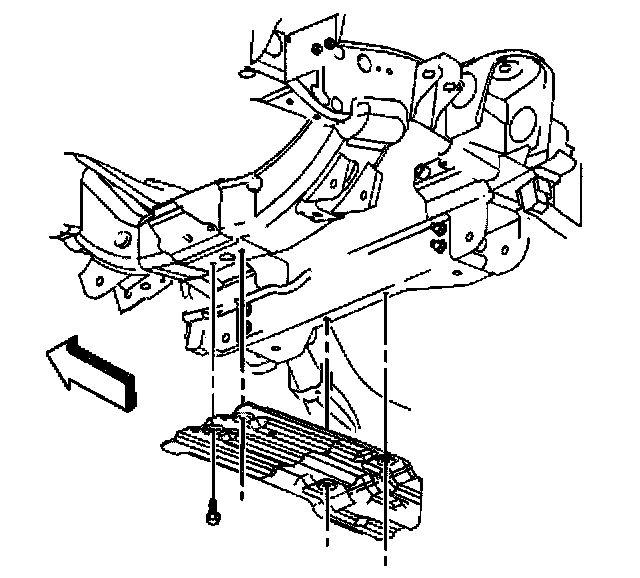
2. Remove the engine protection shield. Refer to Engine Protection Shield Replacement in Body and Frame.

3. Remove the frame cross bar (25 series only).
4. Remove the tire and wheel assembly. Refer to Tire and Wheel Removal and Installation.
5. Remove the shock absorber. Refer to Shock Absorber Replacement.

6. Remove the front stabilizer shaft link. Refer to Stabilizer Shaft Replacement.
7. Install J23028-15 using the outboard locating tab (15 Series).
8. Install J23028-15 using the inboard locating tab (25 Series).

9. Attach the retaining hook to the control arm. Tighten the wing nut until you eliminate any freeplay (15 Series).

10. Attach the retaining hook to the control arm. Tighten the wing nut until you eliminate any freeplay (25 series).

11. Securely attach J 23028-01 to a suitable transmission jack.

12. Raise the jack until the yokes of J23028-01 line up with the notches in J23028-15.
13. Using the J23028-01 and the J23028-15and the transmission jack, relieve the spring tension from the lower control arm pivot bolts.

14. Remove the lower control arm pivot bolt nuts (15 Series).
15. Remove the rear pivot bolt.
16. Remove the front pivot bolt.

17. Remove the lower control arm pivot bolt nuts (25 Series).
18. Remove the rear pivot bolt.
19. Remove the front pivot bolt.
20. Slowly lower the transmission jack in order to unload the front coil spring. It may be necessary to use a pry bar in order to guide the lower control arm out of position.
21. Remove the coil spring and the insulator.
Installation Procedure

1. Install the coil spring and the insulator to the lower control arm.
2. Raise the transmission jack in order to compress the front coil spring. It may be necessary to use a pry bar in order to guide the lower control arm into position.

3. Install the front pivot bolt (15 Series).
4. Install the rear pivot bolt.
Notice: Refer to Fastener Notice in Service Precautions.
5. Install the lower control arm pivot nuts.
- Tighten the pivot bolt nuts to 145 Nm (107 ft. lbs.).

6. Install the front pivot bolt (25 Series).
7. Install the rear pivot bolt.
8. Install the lower control arm pivot nuts.
- Tighten the pivot bolt nuts to 145 Nm (107 ft. lbs.).
9. Lower the jack. Remove the J23028-15from the control arm.
10. Install the front stabilizer shaft link. Refer to Stabilizer Shaft Replacement.
11. Install the shock absorber. Refer to Shock Absorber Replacement.
12. Install the tire and wheel assembly. Refer to Tire and Wheel Removal and Installation.

13. Install the frame cross bar (25 series only).
- Tighten the nuts to 100 Nm (74 ft. lbs.).
14. Install the engine protection shield. Refer to Engine Protection Shield Replacement in Body and Frame.
15. Remove the safety stands.
16. Lower the vehicle.