Steering Column Trim Covers
Removal Procedure
Caution: Refer to SIR Caution in Service Precautions.

1. Disable the SIR system. Refer to Disabling the SIR System in Restraint Systems.
2. Remove the steering wheel. Refer to Steering Wheel Replacement.
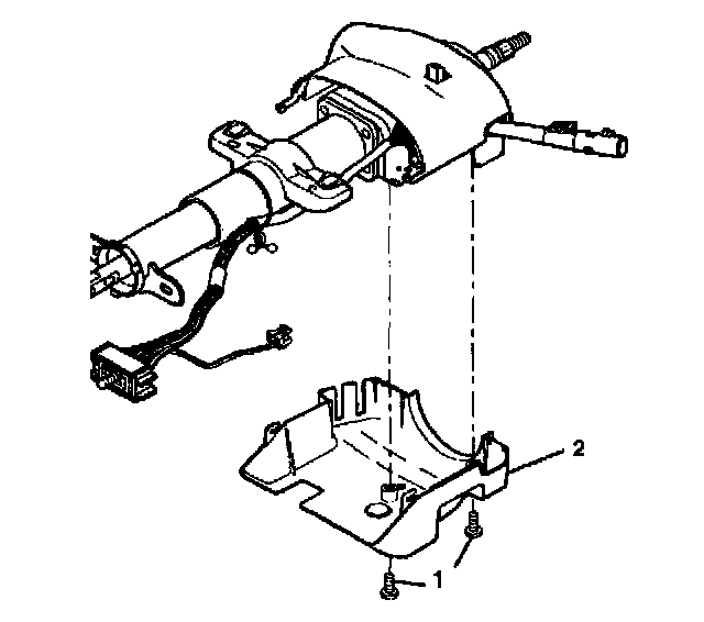
3. Remove the screws (I) that retain the lower steering column trim cover to the steering column.
4. Slide the shift lever seal up the shift lever.

5. Remove the lower steering column trim cover.
6. Tilt the trim cover down and slide it back in order to disengage the locking tabs.

7. Remove the screws (1) that retain the upper steering column trim cover to the steering column.
8. Remove the upper steering column trim cover.
Installation Procedure

1. Install the upper steering column trim cover (2).
Notice: Refer to Fastener Notice in Service Precautions.
2. Install the screws that retain the upper steering column trim cover to the steering column.
- Tighten the upper steering column trim cover retaining screws to 1.5 Nm (13 inch lbs.).

3. Install the lower steering column trim cover.
4. Match the tabs slots onto the lower shroud with the locking tabs on the upper shroud.
5. Tilt the lower shroud up.
6. Align the shift lever seal into the shrouds.
7. Slide the lower shroud forward until the locking tabs snap into the tab slots.

8. Install the screws (1) that retain the lower steering column trim cover to the steering column.
- Tighten the lower steering column trim cover retaining screws to 3.5 Nm (31 inch lbs.).
9. Install the steering wheel. Refer to Steering Wheel Replacement.
10. Enable the SIR system. Refer to Enabling the SIR System in Restraint Systems.