Tilt Spring - Assemble

1. Use the tilt lever to tilt the column to the UP position.

2. Lubricate the tilt spring with synthetic grease.
3. Install the spring guide into the tilt spring.

Caution: Refer to Tilt Spring Caution in Service Precautions.
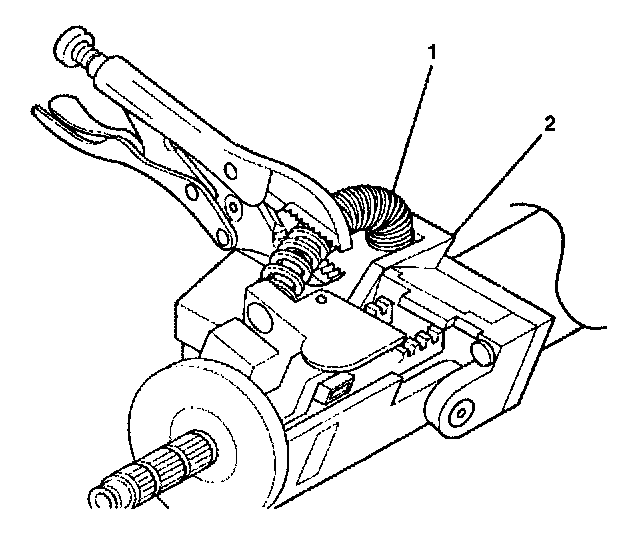
4. Install the tilt spring (1) onto the steering column support assembly (2) and onto the steering column tilt head assembly by using the following procedure:
4.1. Install 1 end of the tilt spring (1) onto the steering column tilt head assembly.
4.2. Install the other end of the tilt spring (1) onto the post on the steering column support assembly (2).
5. Remove the tilt lever.
6. Install the upper and lower trim covers. Refer to Steering Column Trim Covers - Assemble - Off Vehicle.