Steering Shaft, Lower Bearing & Jacket - Assemble
Notice: Refer to Fastener Notice in Service Precautions.
Important: Replace the steering column support assembly if the steering column support assembly has been staked 3 times.

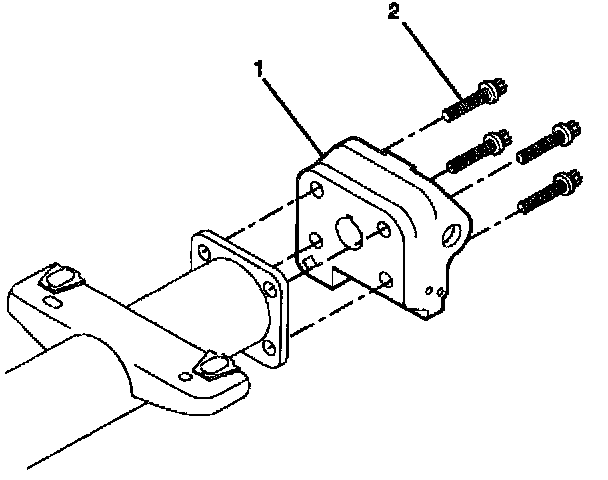
1. Attach the steering column support assembly (1) to the steering column jacket assembly with 4 new TORX head screws (2).
- Tighten the 4 TORX head screws to 17 Nm (13 ft. lbs.).

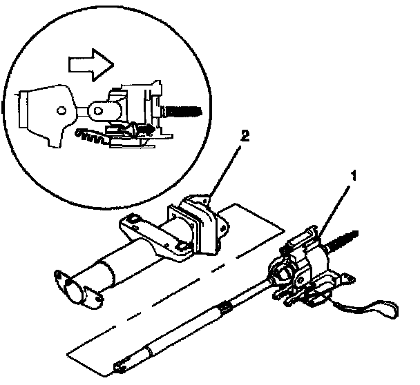
2. Install the steering column shaft assembly (2) into the steering column tilt head assembly (1).

3. Install the steering column shaft assembly with the steering column tilt head assembly (1) into the steering column support assembly (2).
4. Move the tilt knob and push the steering column tilt head assembly up towards the steering column in order to lock the steering wheel lock shoes in place.

Important: Replace the steering column support assembly if the steering column support assembly has been staked 3 times.
5. Lubricate the pivot pins (1) with lithium grease.
6. Firmly seat each pivot pin (1) into the steering column tilt head assembly.
7. Stake the steering column support assembly in 3 locations around each pivot pin (1).

8. Install the adapter and bearing assembly (1) onto the steering column jacket assembly by performing the following steps:
8.1. Align the tab on the adapter and bearing assembly (1) with the slot in the steering column jacket assembly.
8.2. Push the adapter and bearing assembly (1) onto the steering column shaft assembly until the tab snaps into the slot.

9. Install the turn signal and multifunction switch assembly (2) onto the steering column tilt head assembly.
Important: Be sure that the electrical contact of the turn signal and multifunction switch assembly (2) rests on the turn signal cancel cam assembly.
10. Screw the 2 pan head tapping screws (1) into the turn signal and multifunction switch assembly (2).
- Tighten the 2 pan head tapping screws to 7 Nm (62 inch lbs.).
11. Install the tilt spring only. Refer to Tilt Spring - Assemble - Off Vehicle.
12. Install the electronic lock module assembly. Refer to Electronic Column Lock Module - Assemble - Off Vehicle.