Steering Column Trim Covers - Disassemble
- Tools Required
- J 41352 Modular Column Holding Fixture

1. Put the steering column and J 41352 into a vise.
2. Inspect the steering column for accident damage. Refer to Steering Column Accident Damage Inspection - Off Vehicle.
3. Pull the tilt knob out from the lower trim cover.

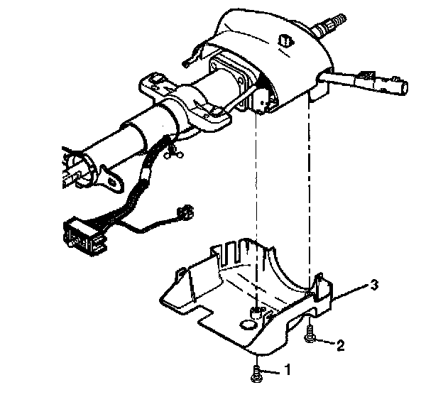
Important: You must check for 2 pan head tapping screws (1, 2) in the lower trim cover (3) before removal.
4. If necessary, remove the 2 pan head tapping screws (1,2) from the lower trim cover (3). Remove the lower trim cover (3). If no screws are present in the lower trim cover, proceed to the next step.

5. Gently unsnap the lower trim cover from the upper trim cover.
6. Slide the shift lever seal up the shift lever.

Important: You must check for 1 TORX head screw (1) in the upper trim cover (2) before removal.
7. If necessary, remove 1 TORXS head screw (1) from the upper trim cover (2). If no screw is present, remove the upper trim cover (2).

Important: The abrasion sleeve located on the steering column wire harness assembly must be reinstalled. Make note of what connector (electronic lock module assembly) is coming out of the middle of the abrasion sleeve for installation purposes.
8. Remove the shift lever screw (3).
9. Remove the shift lever assembly (4).
10. Remove the shift lever seal (2) from the shift lever assembly (4).