SIR Steering Wheel Module Coil - Assemble

1. Align the block tooth on the steering column shaft assembly (1) to the 12 o'clock position.
2. Place the ignition switch in the LOCK position.

3. Install the wave washer (1) onto the steering column shaft assembly (2).
4. If you are installing the existing inflatable restraint steering wheel module coil, you must center the inflatable restraint steering wheel module coil first. Refer to Inflatable Coil Centering - Off Vehicle (Column Shift And Floor Shift).

Important: The new inflatable restraint steering wheel module coil will be pre-centered. Do not remove the centering tab from the new inflatable restraint steering wheel module coil until the installation is complete.
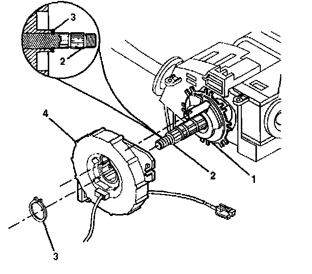
5. Align the inflatable restraint steering wheel module coil (4) with the horn tower on the turn signal cancel cam assembly (1).
6. Slide the new inflatable restraint steering wheel module coil (4) onto the steering column shaft assembly (2).
7. Firmly seat the retaining ring (3) into the groove on the steering column shaft assembly (2).
8. Remove the centering tab from the new inflatable restraint steering wheel module coil (4).
9. Discard the centering tab.

Important: The abrasion sleeve must be installed back onto the steering column wire harness assembly. The electronic lock module assembly wires and connector must be hanging out of the middle of the abrasion sleeve.
10. Reconnect the inflatable restraint steering wheel module coil connector to the turn signal switch assembly connector.
11. Install the wire harness assembly (1) into the wire harness strap(2).
12. Install the upper and lower trim covers. Refer to Steering Column Trim Covers - Assemble - Off Vehicle.