Turn Signal Cancel Cam & Bearing Thrust Washer - Assemble - Export
- Tools Required
- J 23653-SIR Lock Plate Compressor

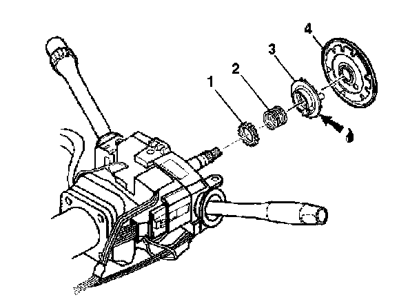
1. Install the following parts onto the steering shaft assembly:
1.1. The thrust washer (1).
1.2. The upper bearing spring (2).
1.3. Lubricate the turn signal cancel cam assembly (3) with lithium grease.
1.4. The turn signal cancel cam assembly (3).
1.5. The shaft lock shield assembly (4).

2. Compress the shaft lock shield assembly (2) using J 23653-SIR.
3. Install the new bearing retainer (1) onto the steering shaft assembly.
4. Firmly seat the bearing retainer (1) into the groove on the steering shaft assembly.
5. Remove J 23653-SIR from the steering shaft assembly.
6. Install the inflatable restraint steering wheel module coil. Refer to Inflatable Restraint Steering Wheel Module Coil - Assemble - Off Vehicle.