Trim Covers, Shift Lever Seal - Disassemble
- Tools Required
- J 41352 Modular Column Holding Fixture

1. Put the steering column and J 41352 into a vise.
2. Inspect the steering column for accident damage.

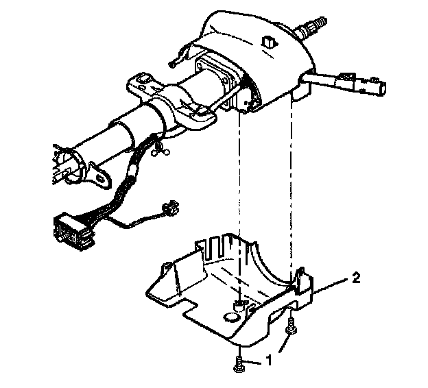
3. Remove the 2 pan head tapping screws: (1) from the lower trim cover (2).

4. Remove the lower trim cover from the upper trim cover in the following way:
4.1. Tilt the lower trim cover down.
4.2. Slide the lower trim cover backward in order to disengage the locking tabs.

5. Remove the 2 TORX head screws (1) from the upper trim cover (2).
6. Remove the upper trim cover (2) from the steering column.