Trim Covers, Shift Lever Seal - Assemble - Export
- Tools Required
- J 41352 Modular Column Holding Fixture

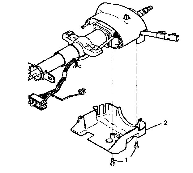
1. Install the upper trim cover (2) onto the steering column.
Notice: Refer to Fastener Notice in Service Precautions.
2. Screw the 2 TORX head screws (1) into the upper trim cover (2).
- Tighten the 2 TORX head screws to 1.5 Nm (13 inch lbs.).

3. Install the lower trim cover onto the upper trim cover in the following way:
3.1. Match the tab slots on the lower trim cover with the locking tabs on the upper trim cover.
3.2. Tilt the lower trim cover up.
3.3. Slide the lower trim cover forward until the locking tabs snap into the tab slots.

4. Screw the 2 pan head tapping screws (1) into the lower trim cover (2).
- Tighten the 2 pan head tapping screws to 3.5 Nm (31 inch lbs.).

5. Remove the steering column and J 41352 from the vise.