SIR Steering Wheel Module Coil - Assemble - Export

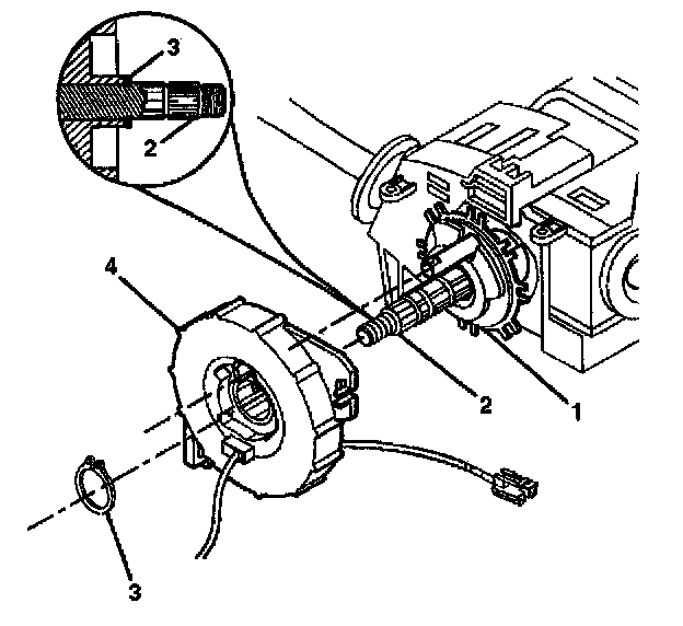
1. Align the block tooth on the steering shaft assembly (1) to the 12 o'clock position.
2. Place the ignition switch in the LOCK position.

3. Install the wave washer (1) onto the steering shaft assembly (2).

Important: A new inflatable restraint steering wheel module coil will be pre-centered. Do not remove the centering tab from the new inflatable restraint steering wheel module coil until the installation is complete.
4. If reusing the original inflatable restraint steering wheel module coil, refer to Inflatable Restraint Coil Centering - Off Vehicle (Column Shift And Floor Shift).
5. Align the inflatable restraint steering wheel module coil (4) with the horn tower on the turn signal cancel cam assembly (1).
6. Slide the new inflatable restraint steering wheel module coil (4) onto the steering shaft assembly (2). Firmly seat the snap ring (3) into the groove on the steering shaft assembly (2).
8. Remove and discard the centering tab from the new inflatable restraint steering wheel module coil (4).

9. Reconnect the inflatable restraint steering wheel module coil connector to the turn signal switch assembly connector.
10. Attach the wire harness assembly (1) to the steering column wire harness strap (2).
11. Install the upper and lower trim covers. Refer to Trim Covers, Shift Lever Seal - Assemble - Off Vehicle.