Steering Shaft, Lower Bearing & Jacket - Disassemble

1. Remove the electronic lock module assembly. Refer to Electronic Column Lock Module - Disassemble - Off Vehicle.
2. Inspect the steering column for accident damage.
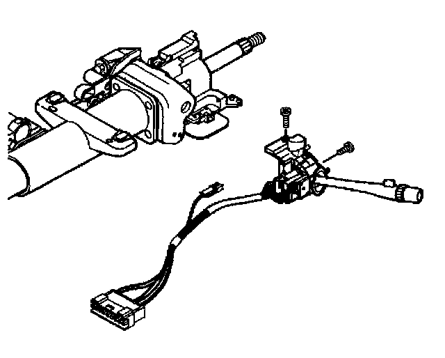
3. Remove the 2 pan head tapping screws from the turn signal and multifunction switch assembly. Remove the turn signal and multifunction switch assembly.

4. Remove the 3 flat head tapping screws from the linear shift assembly.
5. Remove the linear shift assembly from the steering column support assembly.

6. Remove the adapter and bearing assembly (1) from the steering shaft assembly.

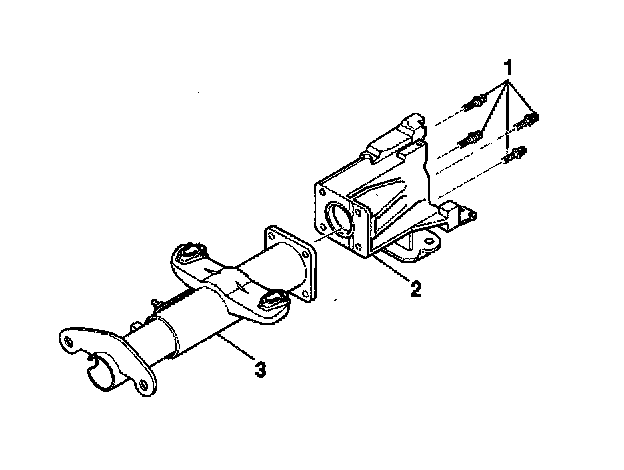
7. Remove the steering shaft assembly (1) from the steering column support assembly (2) and the steering column jacket assembly (3).

8. Remove the 4 TORX screws (1) from the steering column support assembly (2).
9. Discard the 4 TORX49 head screws (1).
10. Remove the steering column support assembly (2)from the steering column jacket assembly (3).