Linear Shift - Disassemble

1. If you need to assemble the linear shift assembly first proceed to step 3. Install the linear shift assembly onto the steering column support assembly.
Notice: Refer to Fastener Notice in Service Precautions.
2. Secure the linear shift assembly to the steering column assembly with the 3 flat head tapping screws.
Move the linear shift assembly out of the PARK position to install the lower socket tapping screw.
- Tighten the 3 TORX screws to 10 Nm (89 inch lbs.).

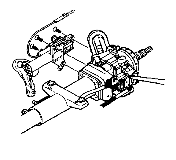
3. Install the shift lever gate (3) onto the gear shift lever assembly support bracket (1).
4. Install the 3 oval head screws (2) onto the shift lever gate (3).
- Tighten the 3 oval head screws to 7 Nm (62 inch lbs.).

5. Install the 2 actuator bushings.

6. Install the shift actuator shaft.

7. Install the cable shift cam assembly (3).
8. Install the ball and actuator assembly (1).
9. Install the 2 hexagon flange head bolts (2).
- Tighten the 2 hexagon flange head bolts to 18 Nm (13 ft. lbs.).

10. Install the automatic transmission shift lock control. Install the shift lever clevis and put the column in the neutral position. This will be 2 positions from the park position.

11. Slide the park position switch assembly onto the linear shift assembly.
12. Connect the automatic transmission shift lock control connector onto the park position switch assembly.

13. Connect the park lock cable assembly (1) to the lock module assembly in the following way:
- Place the steering column lock cylinder set into the off position.
- Place the shift lever clevis into the park position.
- Press the locking tab on the end of the park lock cable assembly (1) into the slot in the lock module assembly.
14. Install the upper and lower trim covers. Refer to Steering Column Trim Covers - Assemble - Off Vehicle.