Operation CHARM: Car repair manuals for everyone.

Junction Block - Underhood

Power Distribution Schematics: Junction Block - Underhood:




Power Distribution Schematics: Ignition Switch, IGN A, IGN C, ABS, IGN 1, TURN, SEO IGN, AIRBAG, CRANK And IGN 0 Fuses:




Power Distribution Schematics: Ignition Switch, Fuse Block, PCM, EBCM - Diesel:




Power Distribution Schematics: IGN B, STUD 2, STUD 1, Hazard, CTSY LP, And Park Lamp Fuses:




Power Distribution Schematics: Radio RDO, AMP, ECM B, FRT HVAC And Cigar Fuses:




Power Distribution Schematics: AIR, RTD, RAP, RAP 2, TBC, MIR/LOCK, And Door Lock Fuses, And Seat CB:




Power Distribution Schematics: A/C, AUX PWR, DRL And Fog LPS Fuses:




Power Distribution Schematics: SEO 1, SEO 2, STOP LPS, RR HVAC, ATC and RR WRP Fuses:




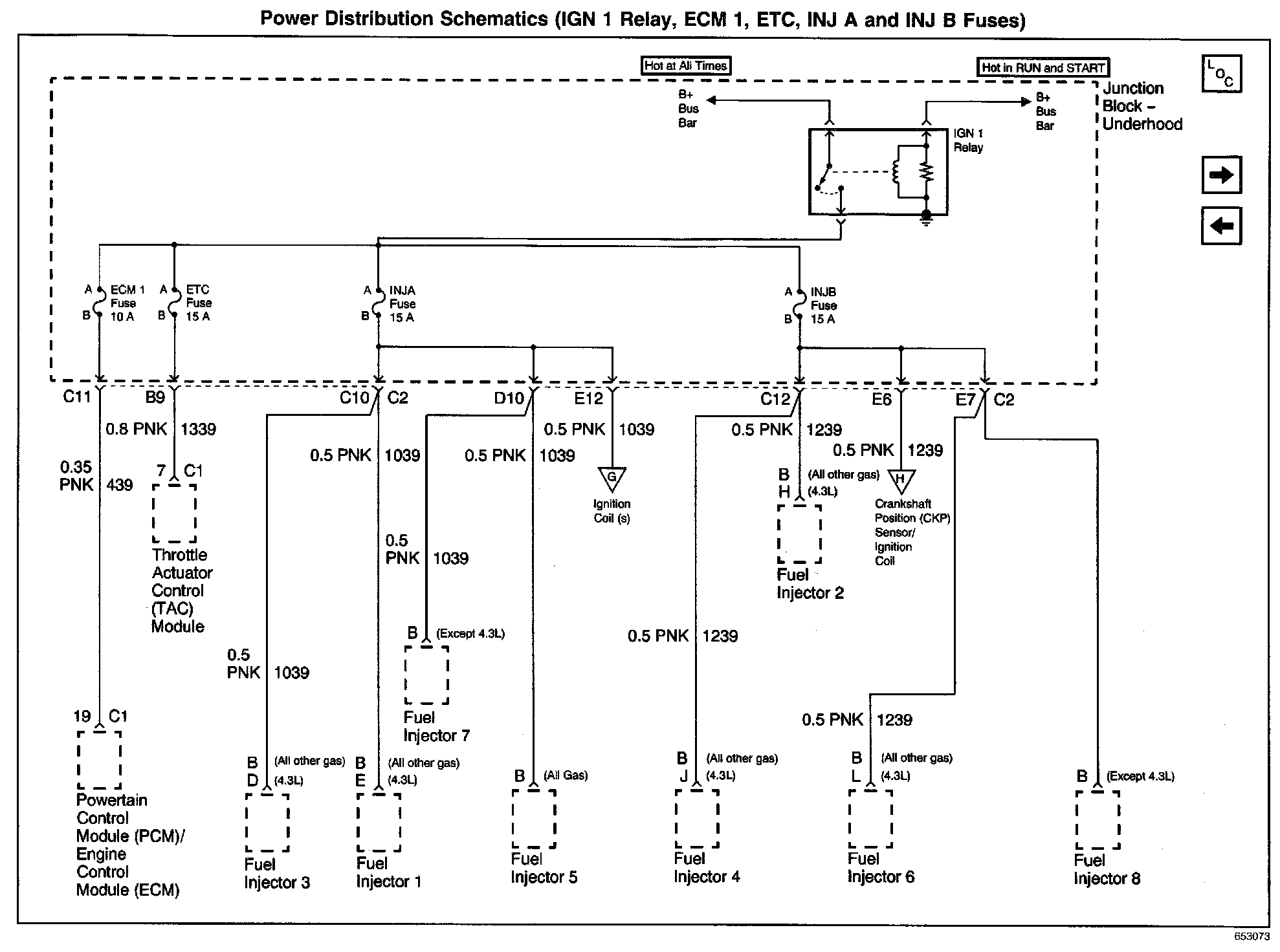
Power Distribution Schematics: IGN 1 Relay, ECM 1, ETC, INJ A And INJ B Fuses:




Power Distribution Schematics: ECM 1, FUEL HT, ENG 1, ECM PRV And INJ B Fuses, ECM, ICM - Diesel:




Power Distribution Schematics: OZB, OZA, ENG 1, B/U LP And IGN E Fuses:




Cigar Lighter/Auxiliary Outlets Schematics: Cigar Lighter: