Operation CHARM
: Car repair manuals for everyone.
Home
>>
GMC
>>
2001
>>
C 1500 Yukon 2WD V8-5.3L VIN T
>>
Repair and Diagnosis
>>
Starting and Charging
>>
Diagrams
>>
Electrical Diagrams
>>
Ignition Switch, Starter Solenoid
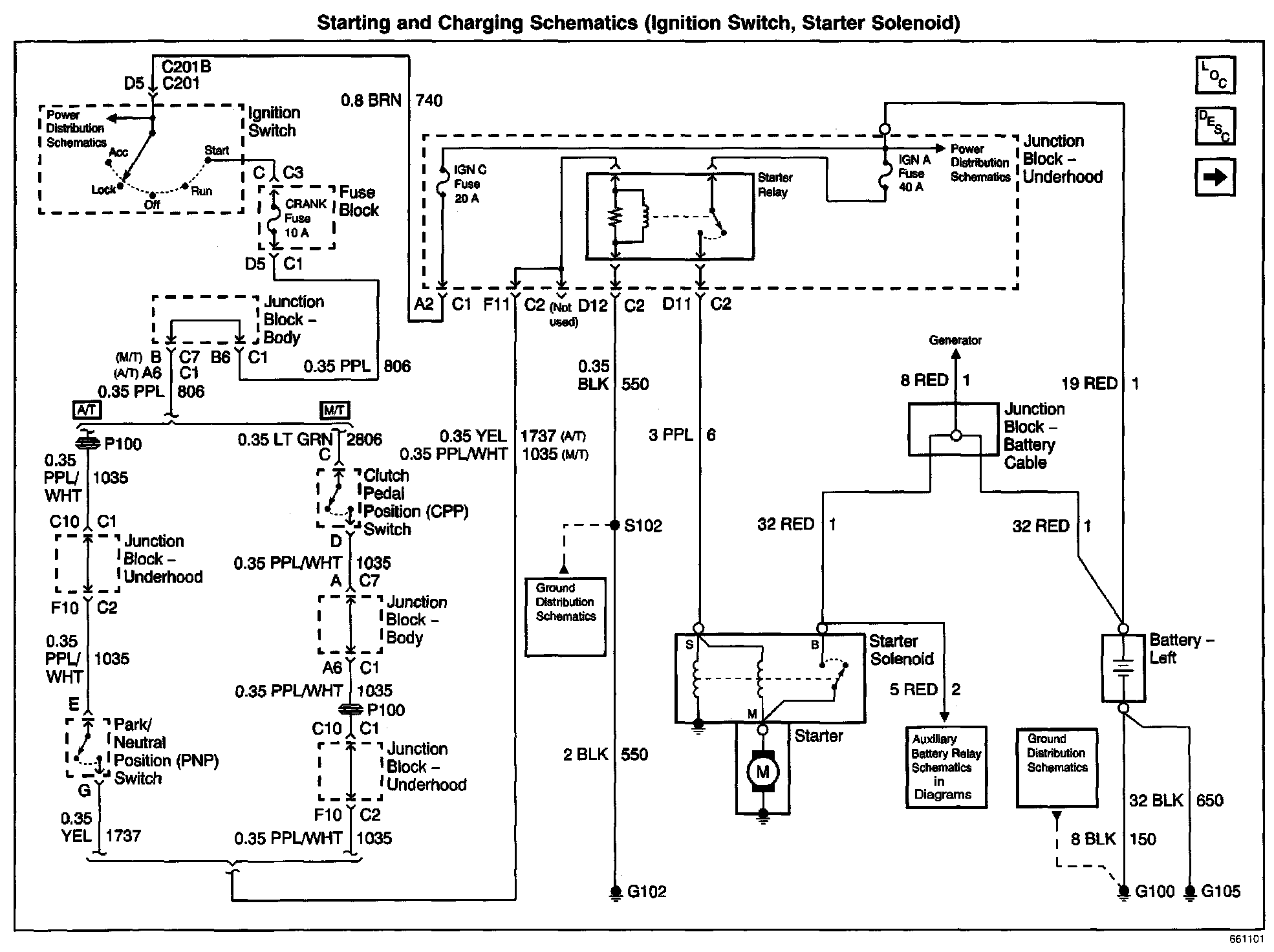
Ignition Switch, Starter Solenoid
Starting And Charging Schematics: Ignition Switch, Starter Solenoid: