Operation CHARM
: Car repair manuals for everyone.
Home
>>
GMC
>>
2001
>>
C 1500 Yukon 2WD V8-5.3L VIN T
>>
Repair and Diagnosis
>>
Starting and Charging
>>
Power and Ground Distribution
>>
Diagrams
>>
Electrical Diagrams
>>
Power Distribution Diagrams
>>
Schematics By Circuit
Schematics By Circuit
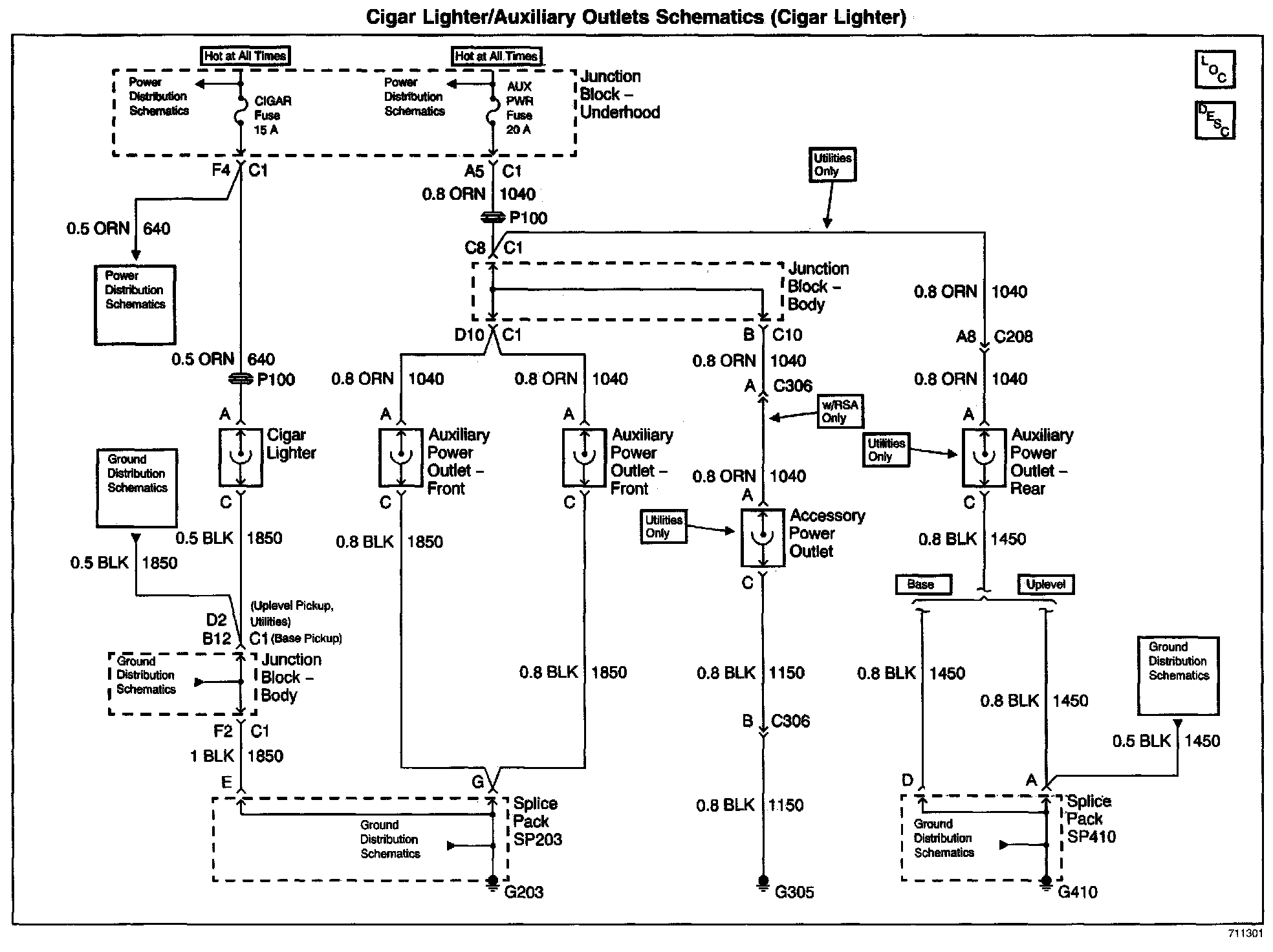
Cigar Lighter/Auxiliary Outlets Schematics: Cigar Lighter: