Operation CHARM
: Car repair manuals for everyone.
Home
>>
GMC
>>
2001
>>
C 1500 Yukon 2WD V8-5.3L VIN T
>>
Parts and Labor
>>
Transmission and Drivetrain
>>
Manual Transmission/Transaxle
>>
Images
Images
MG5, MY2, M50, Case & Related Parts:
MG5, MY2, M50, Gear Train:
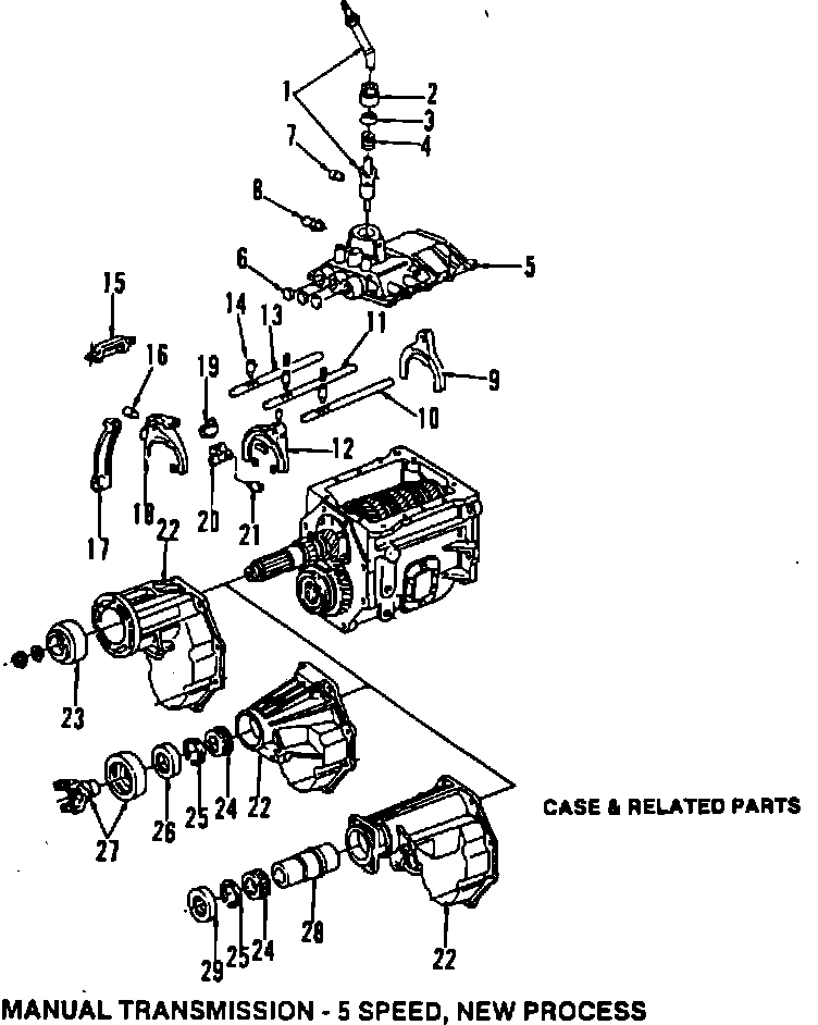
New Process MW3, Case & Related Parts:
New Process MW3, Gear Train:
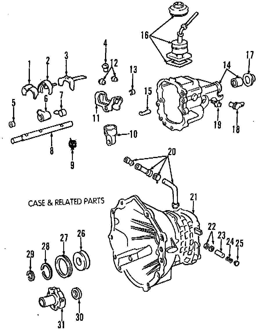
ML6, Case & Related Parts:
ML6, Gear Train:
ML6, Gear Shift, Forks & Rails: