Operation CHARM: Car repair manuals for everyone.

Service Procedure

^ J 44402 Fuel Tank Sending Unit Wrench

^ J 34730-1A Fuel Pressure Gauge

^ J 37088-A Quick Connect Tools

^ J 38125-8 Wire Stripper Crimper

^ J 41413-300 EVAP Cap/Plug Kit

Removal and Rebuild Procedure

Caution:
Before servicing any electrical component, the ignition key must be in the OFF or LOCK position and all electrical loads must be OFF, unless instructed otherwise in these procedures. If a tool or equipment could easily come in contact with a live exposed electrical terminal, also disconnect the negative battery cable. Failure to follow these precautions may cause personal injury and/or damage to the vehicle or its components.

1. Disconnect the negative battery cable.

2. Remove and discard the "ECMB" fuse.

Caution:
Remove the fuel tank cap and relieve the fuel system pressure before servicing the fuel system in order to reduce the risk of personal injury. After you relieve the fuel system pressure, a small amount of fuel may be released when servicing the fuel lines, the fuel injection pump, or the connections. In order to reduce the risk of personal injury, cover the fuel system components with a shop towel before disconnection. This will catch any fuel that may leak out. Place the towel in an approved container when the disconnection is complete.

Caution:
Gasoline or gasoline vapors are highly flammable. A fire could occur if an ignition source is present. Never drain or store gasoline or diesel fuel in an open container, due to the possibility of fire or explosion. Have a dry chemical (Class ECMB) fire extinguisher nearby.

3. Loosen the fuel filler cap in order to relieve the fuel tank vapor pressure.

4. Connect the J 34730-1A fuel pressure gauge to the fuel pressure valve. Wrap a shop towel around the fitting while connecting the gauge in order to avoid spillage.

5. Install the bleed hose of the gauge into an approved container.

6. Open the valve on the gauge to bleed the system pressure. The fuel connections are now safe for servicing.

7. Drain any fuel remaining in the gauge into an approved container.

8. Raise the vehicle.





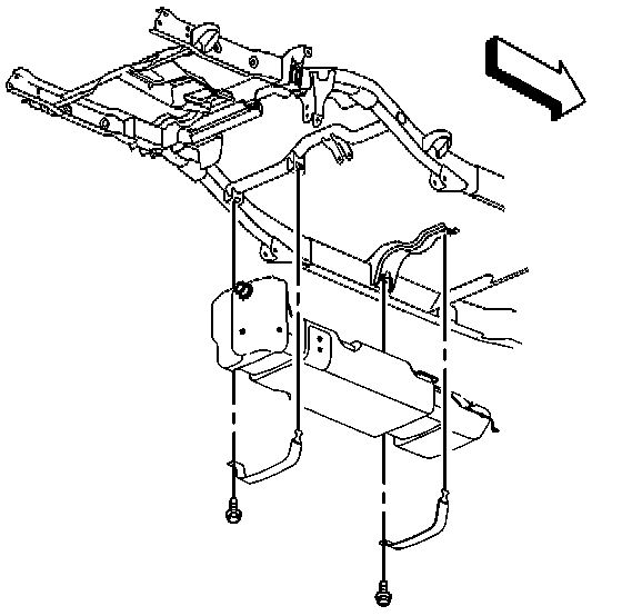
9. Loosen the fuel fill hose clamp (2).

10. Disconnect the fuel fill hose from the fuel fill pipe.

11. Loosen the vent hose clamp (4).

12. Disconnect the vent hose from the vent pipe.

13. Use a hand or air operated pump device in order to drain as much fuel through the fuel fill pipe as possible.

14. Remove the left and right evaporative emission (EVAP) canister mount bolts.





15. Disconnect the pipes (1), (2) at the EVAP canister.





16. Disconnect the vent valve pipe (2) at the EVAP canister bracket.

17. Remove the EVAP canister from the vehicle.





18. Disconnect the chassis fuel pipes (2) at the fuel tank pipes (1).

19. Using J 41413-300, EVAP Cap/Plug Kit, cap the fuel and EVAP pipes in order to prevent possible fuel system contamination.

20. Disconnect the EVAP vent pipe at the fuel tank clip.





21. With the aid of an assistant, support the fuel tank.

Note:
Do not bend the fuel tank straps. Bending the fuel tank straps may damage the straps.

22. Remove the fuel tank strap attaching bolts.

23. Remove the fuel tank straps.

24. Carefully lower the rear of the fuel tank slightly.

25. Remove the fuel sender cover on the Suburban only.

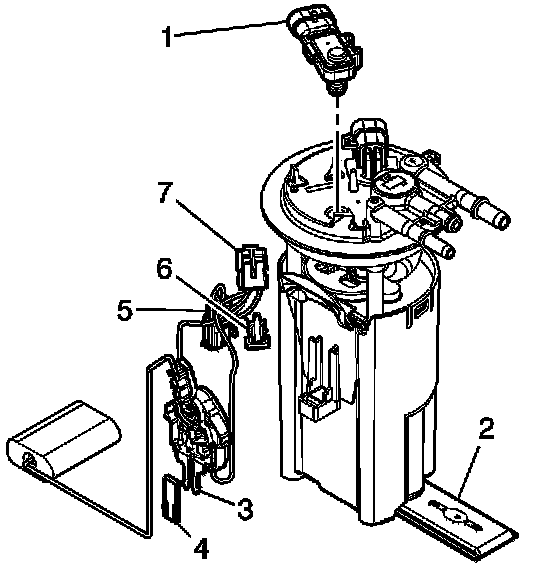
26. Disconnect the fuel sender and the fuel pressure sensor electrical connectors.

27. Remove the fuel tank.

28. Place the fuel tank in a suitable work area.





29. Remove the fuel feed and return pipes (3) from the fuel sender and the retaining clips.





Note:
Do not handle the fuel sender assembly by the fuel pipes. The amount of leverage generated by handling the fuel pipes could damage the joints.

30. Remove the fuel sender assembly retaining ring using the J 44402 fuel tank sending unit wrench.

31. Remove the fuel sender assembly and the seal. Discard the seal. In the extremely rare and unlikely event that the fuel sender assembly must be replaced, be sure that the new assembly contains the recall kit parts. Comparison of the electrical connector that goes through the cover with the electrical connector in the recall kit is the easiest part. If they are the same, the recall kit is not required.

Caution:
Drain the fuel from the fuel sender assembly into an approved container in order to reduce the risk of fire and personal injury. Never store the fuel in an open container.

32. Clean the fuel sender sealing surfaces.





33. Disconnect the fuel pump electrical connector (5).

34. Remove the fuel level sensor electrical connector retaining clip (6).

35. Disconnect the fuel level sensor electrical connector (7).

36. Remove the fuel level sensor-retaining clip (4).

37. Remove the purple fuel level sensor wiring from the wire retention cavities.

38. Carefully depress the two retaining tabs on either side of the fuel pump reservoir.

39. Separate the fuel pump module from the reservoir.

40. Remove the fuel level sensor (3).

41. Note the orientation of the electrical connector on the top of the sending unit cover.

42. Unlatch the lock tab on the bottom of the electrical connector in the sending unit cover and push the electrical connector out the top of the cover.

43. Remove and discard the old electrical connector 0-ring from the top of the sending unit cover if it did not come out with the connector.

44. Clean any dirt or debris from the electrical connector opening in the sending unit cover.

Caution:
The 0-ring may be damaged during installation if it is not properly lubricated.

45. Make sure the 0-ring is properly seated on the new electrical connector and lubricate it with oil in the packet contained in the kit.

46. Align the new electrical connector in the opening of the sending unit cover as noted earlier and install it with finger pressure. Make sure it snaps into place.

47. Make sure the new electrical connector is completely seated and the lock tab is in place.

48. Note the orientation of the float arm assembly on the fuel level sensor.

49. Place a small flat screwdriver under the float arm assembly near the brass colored insert.

50. Gently twist the screwdriver to remove the float arm assembly.

51. Install the float arm assembly onto the new fuel level sensor in the orientation noted above and align with snaps. Use finger pressure to snap the float arm assembly into the new fuel level sensor.

52. Make sure the float arm assembly is completely seated under the retainers on the fuel level sensor.

53. Install the fuel level sensor (3) to the reservoir. Make sure it snaps into place and is fully seated.

54. Install the fuel level sensor-retaining clip (4). Make sure it snaps into place and is fully seated.

55. Assemble the fuel pump module into the reservoir. Be sure the fuel pump module is completely seated and the two retaining tabs snap into place and are properly engaged into the reservoir.

Caution:
Check the fuel level sensor float arm to be certain it is not binding and moves freely. A binding float arm may cause inaccurate fuel gauge readings.

56. Connect the fuel level sensor electrical connector (7). Make sure it snaps into place and is fully seated.

57. Install the fuel level sensor electrical connector retaining clip (6). Make sure it snaps into place and is fully seated.

58. Route the purple fuel level sensor wires into the wire retention cavities.

59. Connect the fuel pump electrical connector (5). Make sure it snaps into place and is fully seated.

Installation Procedure

Caution:
In order to reduce the risk of fire and personal injury that may result from a fuel leak, always replace the fuel sender gasket when reinstalling the fuel sender assembly.

1. Install the new seal on the fuel tank.

Important:
The fuel pump strainer must be in a horizontal position when the fuel sender is installed in the tank. When installing the fuel sender assembly, assure that the fuel pump strainer does not block full travel of the float arm.

2. Install the fuel sender assembly into the fuel tank.

3. Install the fuel sender assembly retaining ring using the J 44402 fuel tank sending unit wrench.

4. Connect the fuel feed and return pipes to the fuel sender and the retaining clips.

5. Replace the original chassis connector:

5.1. Remove approximately 8 inches (220 mm) of tape and black plastic conduit from the vehicle's fuel pump body harness.

5.2. Remove the 4 pin Metri Pack 150 electrical connector from the vehicle's body harness.

5.3. Stagger the 4 leads of the body harness wiring by 1.5 inches (40 mm) and remove approximately 5/16 inches (7.5 mm) of insulation from each of the 4 body harness leads.

5.4. When installing the new 4-pin GT280 connector on the vehicle's body harness it will be necessary to maintain the approximate length of the vehicle's body harness. Align the appropriate colors and stagger the 4 leads of the new 4-pin GT280 connector to correspond to the vehicle's body harness.

5.5. Remove approximately 5/16 inches (7.5 mm) of insulation from each of the leads on the new GT 280 connector.

5.6. Connect the new GT280 connector to the body harness of the vehicle with the 4 butt splice connectors contained in the kit. Use the blue splices on the black and gray leads and the red splices on the purple and orange/black leads. Crimp the splices in place with the appropriate crimp tool, Kent Moore tool J 38125-8 or equivalent.

5.7. Shrink the insulation of the butt splices, using a heat gun, until a small amount of sealant comes out of the end of the splice tube.

5.8. Install black plastic conduit and re-tape as before.

6. With the aid of an assistant, support and partially raise the fuel tank front end first.

7. Connect the fuel sender and the fuel pressure sensor electrical connectors.

8. Install the fuel sender cover on the Suburban only.

9. Fully raise the fuel tank.

10. Install the fuel tank straps.

11. Install the fuel tank strap attaching bolts.

Tighten

Tighten the bolts to 40 N.m (30 lb-ft).

12. Connect the fuel fill hose and the vent hose to the pipes.

Tighten

^ Tighten the fuel fill hose clamp to 2.5 N.m (22 lb-in).

^ Tighten the vent hose clamp to 2.5 N.m (22 lb-in).

13. Connect the EVAP vent pipe to the fuel tank clip.

14. Remove the caps from the fuel and EVAP pipes.

15. Connect the chassis fuel pipes at the fuel tank pipes.

16. Install the EVAP canister to the vehicle.

17. Connect the vent valve pipe to the EVAP canister bracket.

18. Connect the pipes to the EVAP canister.

19. Install the left and right EVAP canister mounting bolts.

Tighten

Tighten the bolts to 25 N.m (18 lb-ft).

20. Lower the vehicle.

21. Refill the fuel tank.

22. Install the fuel filler cap.

23. Install the new fuel pump fuse, contained in the kit, into the vehicle's electrical center (ECMB).

24. Connect the negative battery cable.

25. Inspect for leaks.

25.1. Turn the ignition ON for 2 seconds.

25.2. Turn the ignition OFF for 10 seconds.

25.3. Turn the ignition ON.

25.4. Inspect for fuel leaks.