Battery Relay Replacement - Auxiliary
REMOVAL PROCEDURECAUTION: Refer to Battery Disconnect Caution in Service Precautions.

1. Disconnect the auxiliary negative battery cable.

2. Reposition the boot to expose the stud.
3. Remove the auxiliary battery positive cable nut.
4. Remove the auxiliary battery positive cable from the auxiliary battery relay.

5. Reposition the boot to expose the stud.
6. Remove the auxiliary battery positive cable nut.
7. Remove the auxiliary battery positive cable from the auxiliary battery relay.

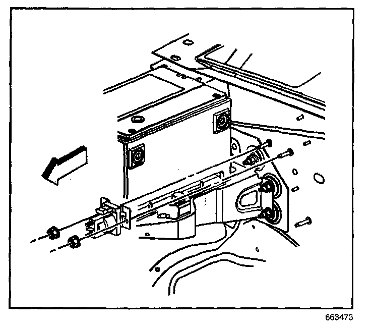
8. Disconnect the auxiliary battery relay electrical connector (1).

9. Remove the auxiliary battery relay nuts.
10. Remove the auxiliary battery relay.
INSTALLATION PROCEDURES

1. Install the auxiliary battery relay.
NOTE: Refer to Fastener Notice in Service Precautions.
2. Install the auxiliary battery relay nuts.
Tighten
Tighten the auxiliary battery relay nuts to 9 N.m (80 lb in).

3. Connect the auxiliary battery relay electrical connector (1).

4. Install the auxiliary battery positive cable to the auxiliary battery relay.
5. Install the auxiliary battery positive cable nut.
Tighten
Tighten the auxiliary positive cable nut to 9 N.m (80 lb in).
6. Position the boot to cover the stud.

7. Install the auxiliary battery positive cable to the auxiliary battery relay.
8. Install the auxiliary battery positive cable nut.
Tighten
Tighten the auxiliary positive cable nut to 9 N.m (80 lb in).
9. Position the boot to cover the stud.

10. Connect the auxiliary negative battery cable.