Antilock Brakes / Traction Control Systems: Description and Operation
ABS Description and Operation
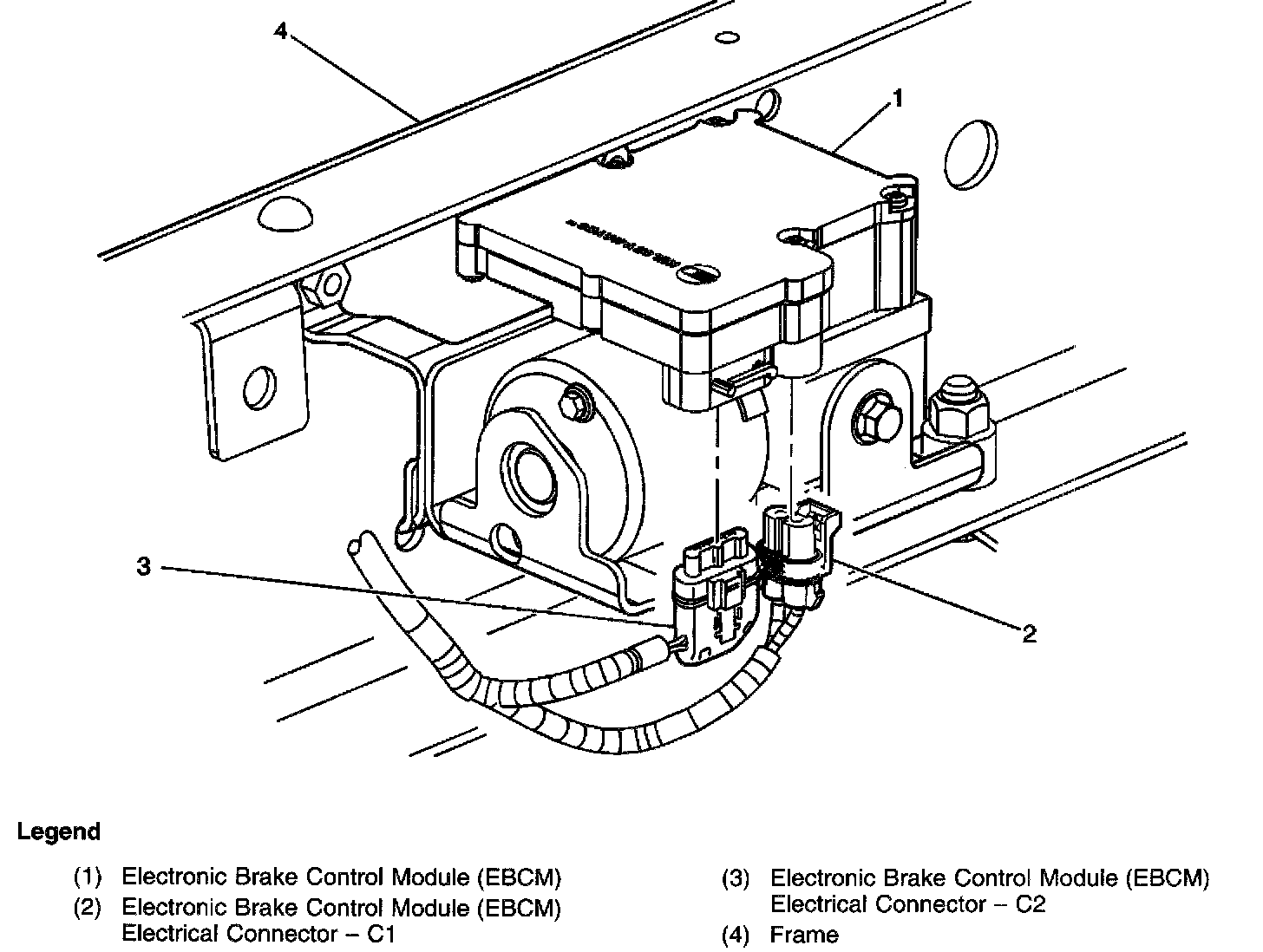
Electronic Brake Control Module (EBCM)

BPMV Hydraulic Flow
This vehicle is equipped with one of the following antilock braking systems:
^ EBC325 (w/o traction control)
^ EBC325S (w/traction control)
The vehicle is equipped with the following braking enhancement systems:
^ Antilock Brake System (ABS)
^ Dynamic Rear Proportioning (DRP)
^ Traction Control System JCS) (w/NW7)
The following components are involved in the operation of the above systems:
^ Electronic Brake Control Module (EBCM) - The EBCM controls the system functions and detects failures.
The EBCM contains the following components:
- System Relay - The system relay is internal to the EBCM. The system relay is energized when the ignition is ON. The system relay supplies battery positive voltage to the solenoid valves and to the pump motor. This voltage is referred to as system voltage.
- Solenoids - The solenoids are commanded by the EBCM to operate the appropriate valves in the Brake Pressure Modulator Valve.
^ Brake Pressure Modulator Valve (BPMV) - The BPMV uses a 3-circuit configuration to control the left front wheel, the right front wheel, and the combined rear wheels. The BPMV directs fluid to the left front and right front wheels independently. The BPMV directs fluid to the two rear wheels on a single hydraulic circuit.
The BPMV contains the following components:
- Pump Motor
- Three isolation valves (one for each hydraulic circuit)
- Three dump valves (one for each hydraulic circuit)
- A front low-pressure accumulator
- A rear low-pressure accumulator
^ Wheel Speed Sensors (WSS) - As the front wheels spin, a toothed ring located at each wheel hub interrupts a magnetic field in the wheel speed sensors. This causes the wheel speed sensors to generate an AC signal. The EBCM uses this AC signal to calculate the wheel speed. The wheel speed sensors are replaceable only as part of the wheel hub and bearing assemblies. Any imperfections in the toothed ring, such as a missing or damaged tooth, can cause an inaccurate WSS signal.
^ Vehicle Speed Sensor (VSS) - The input signal for rear wheel speed originates with the VSS. The Powertrain Control Module (PCM) receives rear wheel speed information from the VSS and supplies this information to the EBCM.
^ Traction Control Switch (w/NW7) - The TCS is manually disabled or enabled using the traction control switch. The TCS can be programmed to be automatically enabled or automatically disabled when the ignition is turned ON. The factory default is for the TCS to be automatically enabled. Refer to Programming the Traction Control Automatic Engagement Feature.
Initialization Sequence
The EBCM performs one initialization test each ignition cycle. The initialization of the EBCM occurs when the following conditions are met:
^ The ignition is ON.
^ The bulb check has been completed.
^ Vehicle speed is greater than 6 km/h (4 mph). The initialization sequence briefly cycles each solenoid and the pump motor to verify proper operation of the components. The EBCM sets one or more DTCs in accordance with any malfunction -that is detected. The EBCM defines a drive cycle as the completion of the initialization sequence.
ANTILOCK Brake System
When wheel slip is detected during a brake application, the ABS enters antilock mode. During antilock braking, hydraulic pressure in the individual wheel circuits is controlled to prevent any wheel from slipping. A separate hydraulic line and specific solenoid valves are provided for each wheel. The ABS can decrease, hold, or increase hydraulic pressure to each wheel brake. The ABS cannot, however, increase hydraulic pressure above the amount which is transmitted by the master cylinder during braking. During antilock braking, a series of rapid pulsations is felt in the brake pedal. These pulsations are caused by the rapid changes in position of the individual solenoid valves as the EBCM responds to wheel speed sensor inputs and attempts to prevent wheel slip. These pedal pulsations are present only during antilock braking and stop when normal braking is resumed or when the vehicle comes to a stop. A ticking or popping noise may also be heard as the solenoid valves cycle rapidly. During antilock braking on dry pavement, intermittent chirping noises may be heard as the tires approach slipping. These noises and pedal pulsations are considered normal during antilock operation.
Vehicles equipped with ABS may be stopped by applying normal force to the brake pedal. Brake pedal operation during normal braking is no different than that of previous non-ABS systems. Maintaining a constant force on the brake pedal provides the shortest stopping distance while maintaining vehicle stability.
Pressure Hold
The EBCM closes the isolation valve and keeps the dump valve closed in order to isolate the slipping wheel when wheel slip occurs. This holds the pressure steady on the brake so that the hydraulic pressure does not increase or decrease.
Pressure Decrease
If a pressure hold does not correct the wheel slip condition, a pressure decrease occurs. The EBCM decreases the pressure to individual wheels during deceleration when wheel slip occurs. The isolation valve is closed and the dump valve is opened. The excess fluid is stored in the accumulator until the pump can return the fluid to the master cylinder or fluid reservoir.
Pressure Increase
After the wheel slip is corrected, a pressure increase occurs. The El3CM increases the pressure to individual wheels during deceleration in order to reduce the speed of the wheel. The isolation valve is opened and the dump valve is closed. The increased pressure is delivered from the master cylinder.
Dynamic Rear Proportioning (DRP)
The Dynamic Rear Proportioning (DRP) is a control system that replaces the hydraulic proportioning function of the mechanical proportioning valve in the base brake system. The DRP control system is part of the operation software in the EBCM. The DRP uses active control with existing ABS in order to regulate the vehicle's rear brake pressure. The red brake warning indicator is illuminated when the dynamic rear proportioning function is disabled.
Traction Control System (TCS)
When drive wheel slip is noted while the brake is not applied, the EBCM will enter traction control mode.
The EBCM uses a 5-volt Pulse-Width Modulated (PWM) signal to request the PCM to reduce the amount of torque to the drive wheels. The PCM reduces torque to the drive wheels by retarding spark timing and by commanding the throttle actuator control. The PCM uses a 5-volt Pulse-Width Modulated (PWM) signal in order to report to the EBCM the amount of torque delivered to the drive wheels.
Brake Warning Indicator
The Instrument Panel Cluster (IPC) illuminates the brake warning indicator when the following occurs:
^ The body control module (BCM) detects that the park brake is engaged. The IPC receives a class 2 message from the BCM requesting illumination.
^ The EBCM detects a low brake fluid condition and sends a class 2 message to the IPC.
^ The IPC performs the bulb check.
^ An ABS-disabling malfunction also disables Dynamic Rear Proportioning (DRP).
ABS Indicator
The IPC illuminates the ABS indicator when the following occurs:
^ The electronic brake control module (EBCM) detects an ABS-disabling malfunction. The IPC receives a class 2 message from the EBCM requesting illumination.
^ The IPC performs the bulb check.
^ The IPC detects a loss of class 2 communications with the EBCM.
Traction Control Indicators (w/NW7)
LOW TRACTION (Except Escalade)
The low traction indicator is part of the traction control switch. The EBCM applies ground to the traction control active signal circuit in order to illuminate the low traction indicator during a traction control event.
LOW TRACTION (Escalade)
The low traction indicator is located in the instrument panel cluster. The EBCM applies ground to the traction control active signal circuit in order to illuminate the low traction indicator during a traction control event.
TRACTION OFF (Except Escalade)
The traction off indicator, which is part of the traction control switch, turns OFF when ground is applied to the service traction control signal circuit. The EBCM illuminates the traction off indicator if any of the following conditions are present.
^ The EBCM inhibits the traction control system.
^ The driver manually disables the traction control system by pressing the traction control switch.
^ The automatic transmission shift lever is in the low (1) position.
The EBCM inhibits the traction control system when a TCS-disabling malfunction occurs, or when the automatic engagement feature is programmed to disable the TCS when the ignition is turned ON. Refer to Programming the Traction Control Automatic Engagement Feature.
TRACTION OFF (Escalade)
The traction off indicator, which is located in the instrument panel cluster, turns OFF when ground is applied to the service traction control signal circuit. An inverting driver module is used in order to apply ground to the traction off indicator control circuit when indicator illumination is requested. The EBCM illuminates the traction off indicator if any of the following conditions are present.
^ The EBCM inhibits the traction control system.
^ The driver manually disables the traction control system by pressing the traction control switch.
^ The automatic transmission shift lever is in the low (1) position.
The EBCM inhibits the traction control system when a TCS-disabling malfunction occurs, or when the automatic engagement feature is programmed to disable the TCS when the ignition is turned ON. Refer to Programming the Traction Control Automatic Engagement Feature.
Programming the Traction Control Automatic Engagement Feature
The automatic engagement feature may be programmed so that the traction control system activates or does not activate automatically at the start of each ignition cycle. In order to change the status of the automatic engagement feature, perform the following procedure:
Important: Failure to follow the correct procedure may cause DTC C0283 to set in EBCM memory.
1. Park the vehicle with the ignition OFF and the transmission in PARK (P).
2. Turn the ignition ON, engine OFF.
3. Press and hold the brake pedal and the accelerator pedal.
4. Press and hold the traction assist switch for 5 seconds.
5. Release the brake and accelerator pedals and the traction control switch.
6. Turn the ignition OFF.