Operation CHARM: Car repair manuals for everyone.

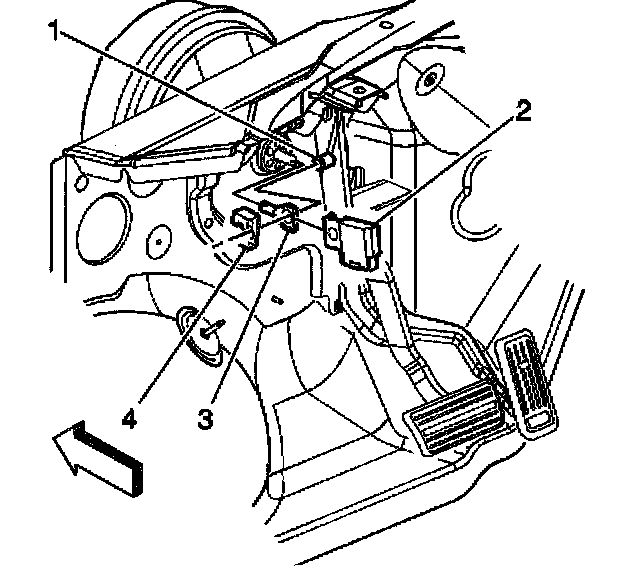
Brake Light Switch: Service and Repair

Stoplamp Switch Replacement

Removal Procedure





1. Disconnect the electrical connection from the stoplamp switch (2).
2. Remove the pushrod retaining clip (4).
3. Remove the stoplamp switch (2).


Installation Procedure





1. Install the stoplamp switch (2).
2. Install the pushrod retaining clip (4).
3. Connect electrical connection to the stoplamp switch (2).