12. Transmission Assemble
Transmission Assemble^ Tools Required
- J 8001 Dial Indicator Set
- J 8092 Universal Driver Handle
- J 25070 Heat Gun -500-750F
- J 26900-13 Magnetic Indicator Base
- J 22828 Input Shaft Bearing Installer/Countershaft Bearing Cone Installer
- J 38805 Output Shaft Nut Socket
- J 38856 Bearing Cup and Retainer Installer
- J 38807 Extension Housing Bearing Installer
- J 22834 Extension Housing Sea[ Installer

1. Install the following parts:
1.1. The overdrive speed gear shift lever
1.2. The shift lever shaft (The notches that retain the overdrive speed gear shift fork are to the outside of the case.)
1.3. The shift lever retaining pin

2. Install a rubber band in order to hold the overdrive speed gear shift lever back out of the way.

3. Install the countershaft front bearing cup. Use the J 38856.

4. Install the countershaft assembly into the transmission case. Position the rear of the countershaft into the rear countershaft bearing bore than move the front of the countershaft into position.

5. Install the countershaft rear bearing using the following procedure:
5.1. Position the transmission case with the front of the case down.
5.2. Lift the countershaft and place a block of wood between the front of the countershaft and the transmission case.
5.3. Using the J22828, install the countershaft rear bearing.

6. Install the following parts:
6.1. The reverse idler gear
6.2. The bearing
6.3. The washers
6.4. The reverse idler gear shaft (The step on the shaft aligns towards the countershaft and installed flush to the case.)

7. Position the transmission with the front of the case down.
8. Position the countershaft in the countershaft front bearing cup.
9. Install the countershaft rear bearing cup.
Notice: Refer to Fastener Notice in Cautions and Notices.
10. Temporarily install the countershaft bearing retainer and the bolts.
^ Tighten the countershaft bearing retainer bolts to 35 Nm (26 ft. lbs.).

11. Measure the countershaft end play. Use the following procedure:
11.1. Using a magnetic indicator base J26900-13 (2) set the dial indicator J 8001 (1) on the end of the countershaft.
11.2. Zero out the dial indicator.
11.3. Using a screwdriver or the equivalent lift the countershaft and record the measurement,
The countershaft end play should be 0.05 - 0.15 mm (0.002 - 0.006 inch).
11.4. Remove the countershaft rear bearing retainer and bolts.
11.5. Add shim(s) under the bearing retainer to achieve the correct end play.

12. Apply threadlocker GM P/N 12345493 to the countershaft retainer bolts.
13. Install the countershaft bearing retainer and bolts.
^ Tighten the countershaft bearing retainer bolts to 35 Nm (26 ft. lbs.).

14. Using the J 38856 with the J 8092, install a NEW front countershaft bearing cap. When properly installed, the outer lip of the cap will be flush with case.

15. Install the mainshaft assembly into the transmission case.

16. Install the main drive gear bearing and the input shaft into the transmission case.

17. Apply a thin layer of RTV sealer GM P/N 12345739 or the equivalent to the input shaft retainer mating surface. Excessive amounts could plug the bearing oil passage.

18. Install the input shaft retainer. Position the retainer with the oil hole at the top-center position.
19. Apply threadlocker GM P/N 12345493 to the input shaft retainer bolts.
20. Install the input shaft retainer bolts.
^ Tighten the input shaft retainer bolts to 22 Nm (16 ft. lbs.).

21. Install the mainshaft rear bearing cup.
22. Temporarily install the mainshaft rear bearing retainer and bolts.
^ Tighten the mainshaft rear bearing retainer bolts finger tight only.

23. Measure the countershaft end play. Use the following procedure:
23.1. Using a magnetic indicator base J 26900-13 (2) set the dial indicator J 8001 (1) on the end of the mainshaft.
23.2. Zero out the dial indicator.
23.3. Using a screwdriver or the equivalent lift the mainshaft and record the measurement.
The mainshaft end play should be 0.05 - 0.15 mm (0.002 - 0.006 inch).
23.4. Remove the mainshaft rear bearing retainer and bolts.
23.5. Add shim(s) under the bearing retainer to achieve the correct end play.

24. Apply threadlocker GM P/N 12345493 to the mainshaft rear bearing retainer bolts.

25. Install the mainshaft rear bearing retainer and bolts.
^ Tighten the mainshaft rear bearing retainer bolts to 35 Nm (26 ft. lbs.).
26. Install the following parts:
26.1. The countershaft thrust washer retainer pin
26.2. The countershaft thrust washer
26.3. The overdrive speed gear bearing
26.4. The spacer

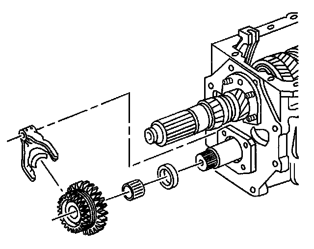
27. Install the overdrive speed gear assembly onto the overdrive speed shift shaft and the countershaft. Slide overdrive speed gear fork and the overdrive speed gear assembly onto the shift shaft.

28. Install the overdrive speed gear clutch gear retainer ring.

29. Install the overdrive speed gear shift fork roll pins. Support the fork and drive the roll pins downward from the top of the fork.

Caution: When handling parts that have been preheated for installation purposes, always wear leather welding gloves with a minimum amount of handling time. Failure to wear leather gloves may result in severe skin bums or personal injury.
30. Using the J 25070 or equivalent heat the mainshaft overdrive gear, the vehicle speed sensor reluctor wheel (RWD models) and the mainshaft spacer (HD 3500 models) for fifteen minutes.
31. Install the mainshaft overdrive gear on the mainshaft.
32. Using the J 22828 ensure the mainshaft overdrive gear is fully seated against the mainshaft rear bearing.
33. (RWD models) Install the vehicle speed sensor reluctor wheel on the mainshaft.
34. Using the J 22828 ensure the vehicle speed sensor reluctor wheel is fully seated against the mainshaft overdrive gear.
35. (HID 3500 model) Install the mainshaft spacer on the mainshaft.
36. Using the J 22828 ensure the mainshaft spacer is fully seated against the reluctor wheel.

37. (4WD models) Using the J 38805 (1), install the a NEW mainshaft washer and the nut.
^ Tighten the mainshaft nut to 540 Nm (400 ft. lbs.).

38. (RWD models) Install the speedometer drive spacer, if equipped.
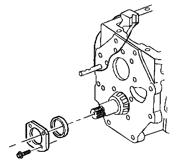
39. (RWD models) Using J38807 and J8092, install the rear output shaft rear bearing in the transmission extension.

40. (RWD models) Install the mainshaft rear bearing retainer ring.

41. Clean any oil from the sealing surface of the transmission extension and the rear of the case.
42. Apply RTV sealer GM P/N 12345739 on the mating surfaces of the transmission extension.
43. (4WD models) Install the transmission extension to the transmission case.
^ Tighten the bolts to 54 Nm (40 ft. lbs.)

44. (RWD models) Install the transmission extension to the transmission case.
^ Tighten the bolts to 54 Nm (40 ft. lbs.).

45. (RWD models) Using the J 22834, install a new mainshaft seal in the transmission extension.

46. (RWD models) Install the yoke assembly.
47. (RWD models) Install a NEW spline seal, a NEW washer, and the nut.
48. Shift the transmission into 1st gear to aid the tightening of the yoke nut.
^ Tighten the yoke nut to 441 Nm (325 ft. lbs.).
49. Fill the transmission to the proper level with Synthetic Manual Transmission Fluid GM P/N 12346190.

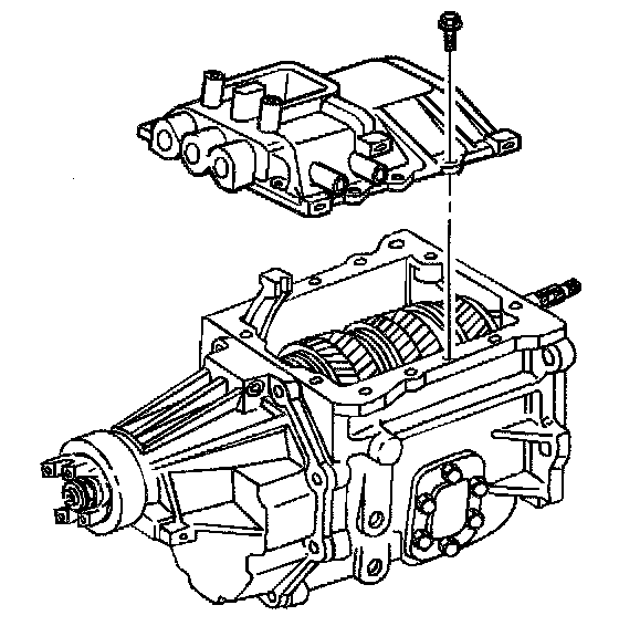
50. Apply RTV sealer GM P/N 12345739 or the equivalent to the mating surfaces of the transmission cover.

51. Install the shift cover to the transmission case.
52. Install the shift cover bolts and the brackets to their original location.
^ Tighten the bolts to 27 Nm (20 ft. lbs.).

53. Apply RTV sealer GM P/N 12345739 or the equivalent to the shift cover side of the shift tower isolator plate.

54. Install the shift tower isolator plate to the shift cover.
55. Install the shift tower to the isolator plate.
56. Install the shift tower to shift cover bolts.
^ Tighten the bolts to 11 Nm (97 inch lbs.).