1. Transmission Disassemble
Transmission Disassemble^ Tools Required
- J 38805 Output Shaft Nut Socket (4WD only)
Important: In order to remove the shift tower the transmission must be in neutral.

1. Shift the transmission to neutral.
2. Remove the bolts securing the shift tower and isolator plate to the transmission.
3. Remove the shift tower and isolator plate.

Important: Note the location of the brackets on the shift cover bolts in order to reinstall in the correct location.
4. Remove the bolts securing the shift cover to the transmission.
5. Using screwdrivers in the transmission case slots pry the shift cover from the transmission.

6. (RWD P-models) Remove the following parts:
6.1. The mainshaft nut
6.2. The washer
6.3. The spline seal

7. (RWD C-models) Remove the following parts:
7.1. The mainshaft nut
7.2. The washer
7.3. The yoke assembly

8. (4WD models) Remove the transmission extension bolts.
9. Remove the transmission extension.

10. (RWD models) Remove the transmission extension bolts.
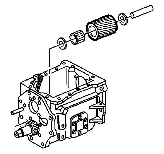
11. Remove the transmission extension.

12. (4WD models) Using the J 38805 (1), remove the mainshaft nut and washer.
13. Discard the washer.

14. Remove the overdrive gear shift fork roll pins.

15. Remove the overdrive gear retainer ring.

Important: For installation alignment scribe an alignment mark on the synchronizer hubs and synchronizer sleeves before removing. To prevent the synchronizer springs and struts from being lost, do not separate the synchronizer hubs from the synchronizer sleeves. Keep the synchronizer clutch gear and the blocking rings with the synchronizer hubs. Organize the components in order to install the components in their original location and position.
16. Scribe a mark on the overdrive synchronizer hub and synchronizer hub sleeve.

17. Remove the overdrive gear assembly with the shift fork from the countershaft.
18. Remove the roller bearings.
19. Remove the thrust washer.
20. Remove the thrust washer pin from the countershaft.

21. (RWD models) Using a suitable gear puller, remove the mainshaft overdrive gear and the vehicle speed sensor reluctor wheel from the mainshaft.
Use the puller in front of the tone wheel.

22. Remove the mainshaft rear bearing retainer bolts.
23. Remove the mainshaft rear bearing retainer.
24. Remove the shim(s).
26. Remove the mainshaft rear bearing cup.
25. Move the synchronizer sleeves into the neutral position.
27. Position the overdrive gear shift lever over to the side and hold in position with a rubber band.

28. For installation alignment, mark the input shaft bearing retainer and transmission case.
29. Remove the input shaft bearing retainer bolts.
30. Remove the input shaft retainer.

31. Remove the input shaft.
32. Remove the main drive gear bearing.

33. Use the following procedure in order to remove the mainshaft assembly from the case:
33.1. Lift the mainshaft and move to the rear of the case.
33.2. Tip the front of the mainshaft up and remove the mainshaft from the case.

34. Remove the countershaft bearing retainer bolts.
35. Remove the countershaft bearing retainer.

36. Remove the shim(s).
37. Remove the countershaft rear bearing cup.
38. Remove the reverse idler gear and shaft:
38.1. Using a suitable punch drive the reverse idler gear shaft towards the rear of the case.
38.2. Remove the reverse idler gear.
38.3. Remove the thrust washers.
38.4. Remove the bearing.

39. Remove the countershaft rear bearing using a suitable gear puller.
Removing the countershaft rear bearing will allow the countershaft to be angled for removal.

40. Remove the countershaft from the transmission case. Slide the countershaft rearward and lift the front of the countershaft and out of the case.

41. Using a punch or chisel remove the countershaft front bearing cap.
42. Discard the removed bearing cap.
43. Remove the countershaft front bearing cup.

44. Remove the roll pin from the overdrive gear shift lever.
45. Remove the shift lever shaft.
46. Remove the overdrive gear shift lever.