1. Transmission Disassemble
Transmission Disassemble^ Tools Required
- J 23907 Slide Hammer
- J 36509 Detent Spring Plug Remover
- J 36511 Oil Fill/Drain Plug Hex Bit (17 mm)
- J 36515 Assembly Pallet
- J 36515-15 Mainshaft Adapter
- J 36515-16 Countershaft Adapter
- J 36825 Output Shaft Oil Seal Remover
Important: The transmission must remain in 3rd or 5th gear in order to prevent losing the shift shaft lever spring and plunger.

1. Using the J 36511, remove the oil fill plug.
2. If the transmission is not in 3rd or 5th gear, reinstall the shift control housing and shift the transmission in 3rd or 5th gear.
3. Place a suitable container under the transmission assembly in order to drain the remaining transmission fluid.

4. Using J 36511, remove the oil drain plug.
5. Remove the gasket material from the housing.

6. Remove the 2 reverse idler gear shaft support bolts.

7. Remove the back-up lamp switch.

8. If RWD, remove the vehicle speed sensor and O-ring.

9. Remove the shift shaft detent pin.

10. Using the J 36509 (1) and the J 23907 (2), remove the detent plug, spring, and detent plunger.

11. If 4WD vehicle, remove the output shaft seal using the J 36825 and the J 23907. Screw the J 36825 into 1 of the 3 perforated holes in the seal.

12. Remove the 6 bolts securing the input shaft bearing retainer to the clutch housing.
Remove the retainer by screwing 2 of the removed bolts into the threaded holes in the retainer.

13. Remove the input shaft bearing retainer ring.

14. Remove the bolts securing the clutch housing to the rear case.

Notice: The case sealing surface is a machine surface. Prevent the case sealing surface from getting nicks, scratches or other damage. Damage to the case sealing surface may cause leakage.
15. Separate the clutch housing from the rear case using a soft-face hammer. Do not pry at the sealing surfaces.

16. Remove the countershaft front bearing.

17. Move the reverse idler gear shaft towards the countershaft.
18. Remove the reverse idler gear shaft retainer.

Important: If the shift rail is rotated, the shift lever spring and plunger may come out of the shift shaft lever.
19. Slowly shift the transmission in neutral.
20. Rotate the shift rail counterclockwise. While rotating, catch the shift shaft plunger and the shift shaft spring.

21. Remove the shift shaft lever roll pin.
21.1. Rotate the shift shaft lever finger down.
21.2. Support the shift shaft end.
21.3. Drive out the roll pin.
21.4. Ensure that the roll pin clears the 2nd speed gear.

22. Remove the shift shaft socket roll pin.
22.1. Align the shift shaft socket in the center of the case opening.
22.2. Using a 5 mm (3/16 inch) punch, remove the roll pin.

23. Remove the following components:
23.1. The shift shaft
23.2. The shift shaft socket
23.3. The shift shaft lever
23.4. The shift shaft block out bushing

24. Rotate the 3rd/4th speed gear shift fork counterclockwise.
25. Remove the 3rd/4th speed gear shift fork from the transmission case.

26. If RWD vehicle, loosen the 3 bolts on the rear of the housing. Do not remove the bolts.

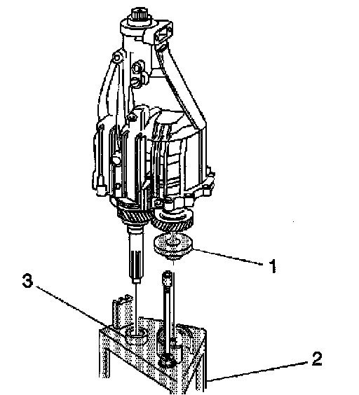
27. Install the J 36515-15 (3) on the input shaft.
28. Install the J 36515-16 (1) on the countershaft.
29. Install the transmission to the J 36515 (2).
30. Adjust the reverse holding pin against the reverse gear idler shaft.

31. If RWD vehicle, remove the 3 bolts on the rear of the housing.

32. If 4WD vehicle, remove the main shaft rear bearing retaining ring.

33. Remove the rear housing (4WD shown). Tap the rear housing with a rubber mallet.