Headlining Trim Panel Replacement (Utility)
Headlining Trim Panel Replacement (Utility)
Removal Procedure
1. Remove the IP top trim panel.
2. Remove the windshield pillar moldings.

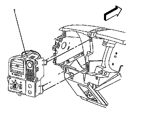
3. Remove the drivers side accessory housing (1) from the IP.

4. Remove the IP upper brackets.
5. Remove the transfer case control module, if equipped.

6. Release the pressure on the headliner wire harness by removing the wire harness retainer (1) from the IP support beam.

7. Disconnect the headliner wire connectors from the junction block located next to the brake pedal.
8. Remove the wire harness retainers along the windshield pillar.
9. Follow the routing of the wire harness through the IP and release any wire harness retainers.
10. Carefully pull out the wire harness from the windshield pillar ensuring that the wire harness does not get caught on any part.
11. Remove the center trim pillar moldings.
12. Remove the third pillar trim pillar moldings.
13. Remove the rear corner trim pillar moldings.
14. Disconnect the electrical connector to the rear view mirror.
15. Remove the upper console.
16. Remove the front sunshades.
17. Remove the sunshade holders.
18. Remove the rear coat hook, if equipped.
19. Remove the assist handles.
20. Remove auxiliary climate control console assembly.
21. Remove the roof mounted air outlet louver by turning counter clockwise in order to remove the retainer.
22. Remove the retainer.
23. Remove the sunroof finishing lace, if equipped.
24. Remove the rear headliner retainers, if needed.
25. Carefully separate the air duct at the right C-pillar from the headliner.
26. Carefully separate the headliner from the roof Velcro(R) retainers.

27. With the aid of an assistant carefully slide the headliner out through the rear of the vehicle.
28. Remove the interior dome lamp assembly in order to transfer to the new headliner.
Installation Procedure
1. Install the interior dome lamp assembly to the new headliner.

2. With the aid of an assistant carefully slide the headliner in through the rear of the vehicle.
3. Secure the headliner to the roof Velcro(R) retainers while aligning the air duct at the right of the third pillar.
4. Install the retainer through the air outlet louver
5. Install the air outlet louver by turning clockwise till it is seated in place.
6. Install the auxiliary climate control assembly.
7. Install the assist handles.
8. Install the interior dome lamp.
9. Install the rear coat hook, if equipped.
10. Install the sunshade holders to the headliner.
11. Install the front sunshades.
12. Connect the electrical connector to the rear view mirror, if needed.
13. Install the upper console.
14. Install the rear corner trim pillar moldings.
15. Install the third pillar trim moldings.
16. Install the center trim pillar moldings.
17. Carefully route the wire harness through the IP in order to connect the wire to the junction block located next the brake pedal.
18. Install the transfer case control module, if equipped.

Important: Please ensure that all of the wire harness retainers in the IP and the windshield pillar are all pressed into place in order to prevent rattling during driving.
19. Press in the wire harness retainer (1) in order to secure the harness.

20. Connect the headliner electrical connectors to the junction block located next to the brake pedal.

Notice: Refer to Fastener Notice in Service Precautions.
21. Install the IP upper brackets.
Tighten the IP upper bracket bolts to 9 N.m (80 lb in).

22. Install the drivers side accessory housing (1) to the IP.
23. Install the windshield pillar moldings.
24. Install the sunroof finishing lace, if equipped.
25. Install the IP top trim panel.