Operation CHARM: Car repair manuals for everyone.

Keyless Entry Receiver: Service and Repair

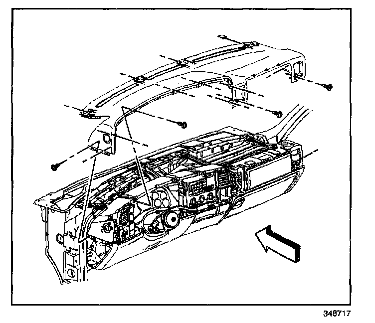
REMOTE CONTROL DOOR LOCK RECEIVER REPLACEMENT

REMOVAL PROCEDURE




1. Remove the Instrument Panel (IP) top cover.




2. Remove the module. Unsnap the 2 lock arms.
3. Disconnect the electrical connector.

INSTALLATION PROCEDURE




1. Connect the electrical connector.
2. Install the module starting with the large tang-tilt. Snap the 2 lock arms into the square holes.




3. Install the instrument panel (IP) top cover.