25 HD, 35 Series Pickup/Chassis Cab
Rear Axle Replacement (25 HD, 35 Series Pickup/Chassis Cab)Removal Procedure
Important: Observe and accurately reference mark all driveline components relative to the propeller shaft and axles before disassembly. These components include the propeller shafts, the drive axles, the pinion flanges, the output shafts, etc. All components must be reassembled in the exact relationship to each other as they were when removed. In addition, published specifications and torque values, as well as any measurements made prior to disassembly must be followed.

1. Raise the vehicle. Refer to Vehicle Lifting.
2. Place jack or utility stands (such as GMDE 123 B67313) at the front end of the vehicle.
3. Support the axle with jack stands.
4. Remove the tire and wheel assemblies.
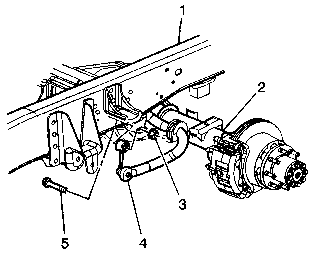
5. Remove the stabilizer shaft link bolt (5) and the nut (3).
6. Disconnect the upper stabilizer shaft link (4) from the frame.

7. Reference mark the rear propeller shaft (3) to the rear axle pinion yoke (4).
8. Disconnect the propeller shaft from the axle. Support the propeller shaft as necessary.

9. Disconnect the lower mount of the shock absorbers.

10. Disconnect the vent hose (1).
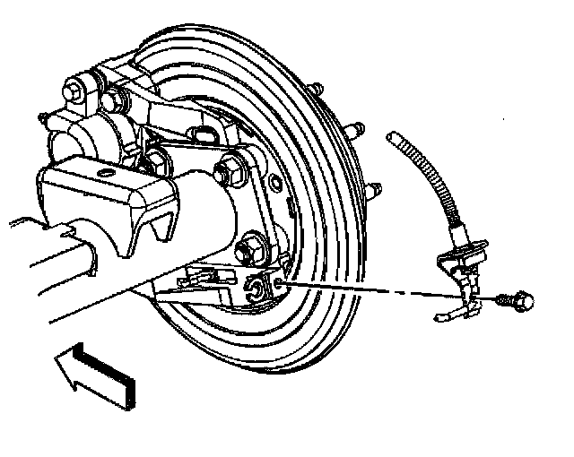
11. Disconnect the park brake cables.

12. Disconnect the junction block.

13. Disconnect the brake pipe.

14. Disconnect the brake pipe fitting bracket from the brake assembly.
15. Remove the brake calipers.
Notice: Refer to Brake Caliper Notice in Service Precautions.
16. Support the calipers from the frame using a heavy gauge mechanics wire.

17. Remove the nuts and the washers from the spring assembly U-bolts.
18. Remove the U-bolts, the anchor plates and the spacers from the axle.
19. Remove the axle with the aid of a hydraulic assist.

20. Remove the stabilizer shaft U-bolt nuts (4) and the U-bolts (2) from the axle (3) (if necessary).
21. Remove the stabilizer shaft (1) from the axle (if necessary).
Installation Procedure

1. Install the stabilizer shaft (1) to the axle (3) (if necessary).
2. Install the stabilizer shaft clamps, the U-bolts; (2), and the nuts (4) (if necessary).
Do not torque the stabilizer shaft U-bolt nuts at this time.
3. Place the axle under the vehicle.
4. Raise the axle to the springs with the aid of a hydraulic assist.
Align the axle with the springs.

5. Install the spacers, the anchor plates and the U-bolts.
Notice: Refer to Fastener Notice in Service Precautions.
6. Install the washers and the nuts to the U-bolts.
^ Tighten the nuts (w/ attached washer) to 72 Nm (53 lb ft).
^ Tighten the nuts (w/o attached washer) to 137 Nm (101 lb ft).

7. Install the stabilizer shaft link to the frame (1) (if necessary).
8. Install the stabilizer shaft link bolt (5) and the nut (3) (if necessary).
8.1. Tighten the stabilizer shaft link bolts to 95 Nm (70 lb ft).
8.2. Tighten the stabilizer shaft U-bolt nuts to 32 Nm (24 lb ft).
9. Install the brake calipers.

10. Install the brake pipe fitting brackets.
11. Install the brake pipe fitting bracket bolts.
^ Tighten the bolts to 22 Nm (16 lb ft).

12. Install the brake pipe.
13. Install the brake pipe bolts.
^ Tighten the bolts to 22 Nm (16 lb ft).

14. Install the brake pipe junction block.
15. Install the brake pipe junction block bolt.
^ Tighten the brake pipe junction block bolt to 22 Nm (16 lb ft).
16. Connect the park brake cables.

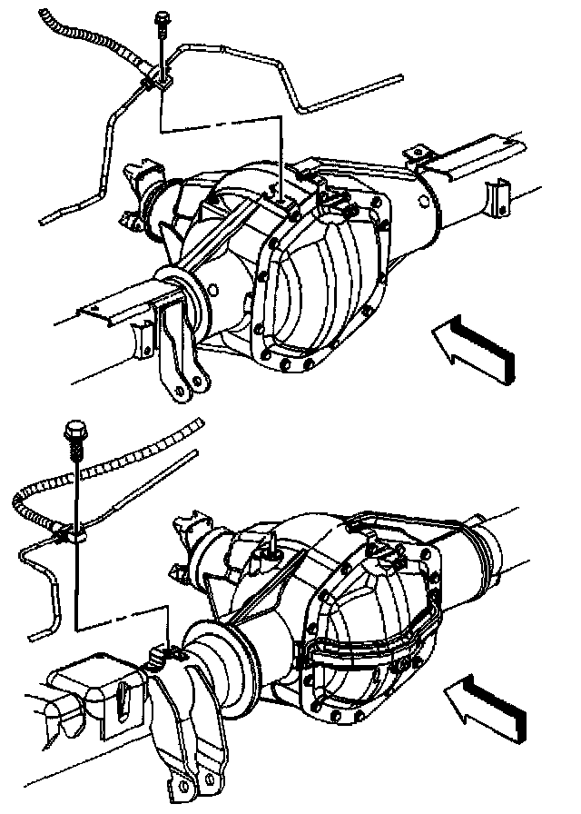
17. Connect the vent hose (1) to the axle vent fitting.

18. Install the shock absorbers to the lower mount bracket.
19. Install the shock absorber bolts and the nuts.
^ Tighten the shock absorber nuts to 95 Nm (70 lb ft).

20. Install the propeller shaft (3) to the pinion yoke (4). Align the reference marks made during removal.
21. Install the propeller shaft yoke retaining clamps (2) and the bolts (1).
^ Tighten the yoke retaining clamp bolts to 25 Nm (18 lb ft).
22. Install the tire and wheel assemblies.
23. Fill the axle with lubricant. Use the proper fluid.
24. Remove the jack and utility stands.
25. Lower the vehicle.