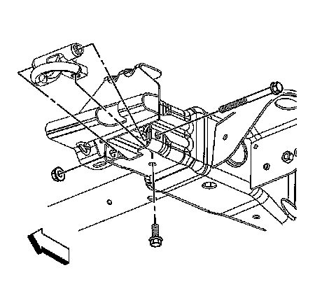
Towing Hook / Bracket: Service and Repair
Tow Hook Replacement (15 Series)
Removal Procedure
1. Remove the front bumper.

2. Remove the tow hook bolts from the frame rail.
3. Remove the tow hook from the vehicle.
Installation Procedure
1. Install the tow hook to the frame rail.

Notice: Refer to Fastener Notice.
2. Install the bolts to the tow hook through the frame rail.
Tighten the bolts to 85 N.m (63 lb ft).
3. Install the front bumper.