Knee Bolster Replacement - Luxury
Knee Bolster Replacement (Luxury)
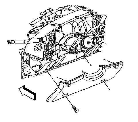
Removal Procedure

1. Remove the IP cluster trim plate bezel.
2. Move the IP extension rearwards. Refer to Instrument Panel Extension Replacement (Non-Luxury) Instrument Panel Extension Replacement (Luxury).

3. Remove the knee bolster screws.
4. Unsnap the top of the knee bolster from the IP assembly
Installation Procedure

1. Snap the top of the knee bolster into the IP assembly.
Notice: Refer to Fastener Notice in Service Precautions.
2. Install the knee bolster screws.
Tighten the screws to 2 N.m (18 lb in).
3. Install the IP cluster trim plate bezel.
4. Install the /P extension to the IP.