SIR Module Coil Assembly
INFLATABLE RESTRAINT STEERING WHEEL MODULE COIL REPLACEMENTCAUTION: Refer to SIR Caution in Service Precautions.

1. Disable the SIR system.
2. Remove the steering column trim covers.
3. Remove the wire harness assembly (4) out of the wire harness strap (5).
4. Remove the 3 wire harness straps (3) from the wire harness assembly.
5. Remove the wire harness strap (2) from the upper tilt head assembly (1).

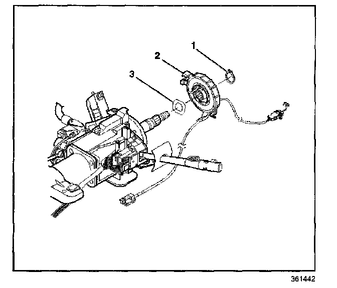
6. Remove the SIR steering wheel module coil retaining clip (1).
7. Remove the SIR steering wheel coil (2).
8. Remove the wave washer (3) from the steering column upper shaft.
INSTALLATION PROCEDURE

1. Align the block tooth on the upper shaft to the 12 O'clock position.
NOTE: Ensure all fasteners are securely seated before applying needed torque. Failure to do so may result in component damage or malfunctioning of steering column.

2. Install the wave washer (1) to the steering column upper shaft.
IMPORTANT:
^ Verify that the SIR steering wheel module coil is centered.
^ The SIR steering wheel module coil becomes uncentered under the following conditions:
- The steering column is separated from the steering gear and allowed to rotate.
- The centering spring is pushed down, letting the hub rotate while the coil is removed from the steering column.
^ If the SIR steering wheel module coil becomes uncentered, refer to the following procedures:
- For the standard column, refer to Inflatable Restraint Coil Centering - Off Vehicle (Column Shift And Floor Shift) in Steering Wheel and Column - Standard.
- For the tilt column refer to Inflatable Restraint Coil Centering Off Vehicle (Column Shift And Floor Shift) in Steering Wheel and Column - Tilt.

3. Align the SIR steering wheel module coil (2) with the horn tower on the turn signal cancel cam (1).
4. Install the pre-centered SIR steering wheel module coil (2) to the steering column upper shaft.

5. Remove the centering tab (1) and discard.
NOTE: Gently pull on the lower coil assembly wire in order to remove any wire kinks inside of the column assembly. Verify that there are NO kinks or bends in the SIR coil assembly wire. If a kink or bend is present interference may occur with the shaft lock mechanism. Turning the steering wheel may cut or damage the wire.

6. Install the SIR steering wheel module coil retaining ring. Verify that the ring (1) is firmly seated in the groove on the upper shaft (2).

7. Install the wire harness assembly (4) into the wire strap (5).
8. Install the wire harness strap (2) into the wire strap (1).
9. Install the wire harness straps (3) to the wire harness assembly.
10. Install the steering column trim covers.
11. Enable the SIR system.