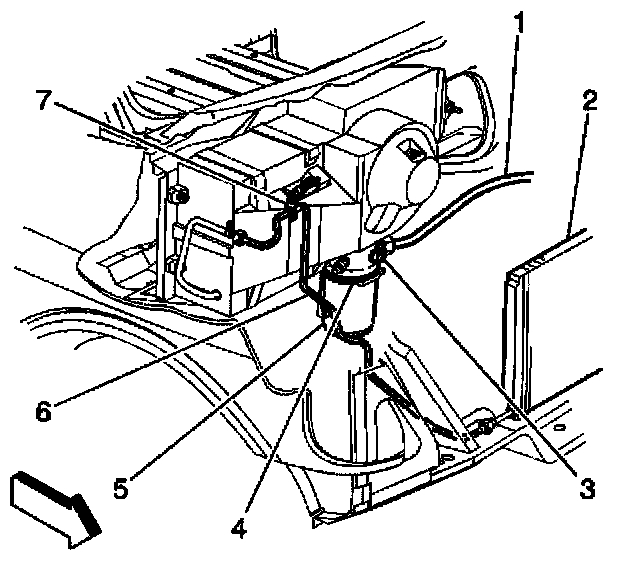
Service Port HVAC: Locations
High-side refrigerant service valve fitting of the vehicle A/C system.

This valve is in the receiver dehydrator tube, between the receiver and dehydrator and the condenser (2).
Low-side refrigerant charge valve fitting of the vehicle A/C system.
This valve is located between in the compressor and condenser hose, between the compressor and the expansion (orifice) tube.