Heat and A/C
REMOVAL PROCEDURE
1. Remove the instrument cluster trim plate bezel.
2. Remove the instrument panel storage tray.
3. Remove the inflatable restraint module switch from the instrument panel. Refer to Inflatable Restraint Instrument Panel Module Replacement in Restraint Systems.
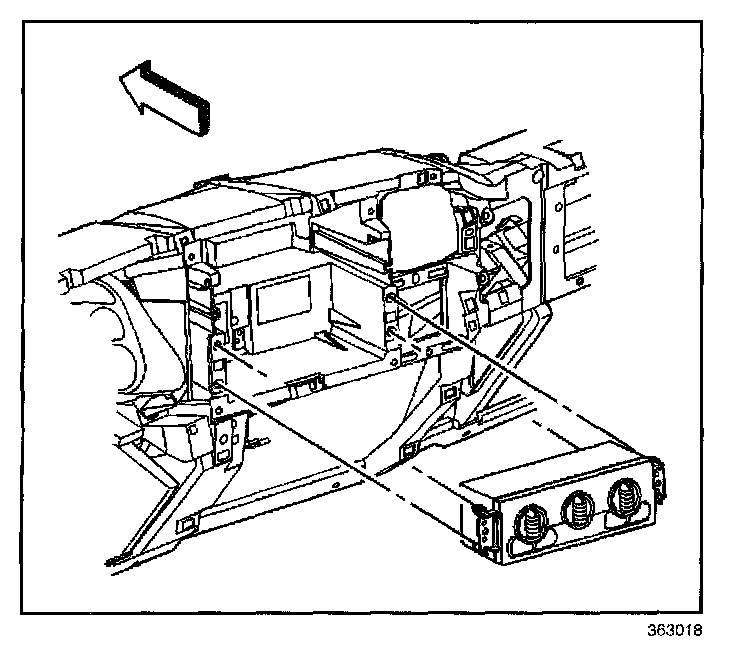
4. Remove the HVAC control assembly.
4.1. Release the retaining tabs.
4.2. Pull the control head out of the instrument panel carrier.
5. Disconnect the electrical connectors from the HVAC control assembly.
INSTALLATION PROCEDURE

1. Connect the electrical connectors to the HVAC control assembly.
2. Install the HVAC control assembly.
3. Install the inflatable restraint module switch to the instrument panel. Refer to Inflatable Restraint Instrument Panel Module Replacement in Restraint Systems.
4. Install the instrument panel storage tray.
5. Install the instrument cluster trim plate bezel.
6. Calibrate the HVAC module actuators. Refer to Re-Calibrating Actuators in HVAC Systems - Automatic.