Air Temperature Actuator Replacement - Auxiliary
REMOVAL PROCEDURE
1. Remove the right rear quarter trim panel.
2. Disconnect the electrical connector from the air temperature actuator.
3. Remove the retaining screws from the air temperature actuator.
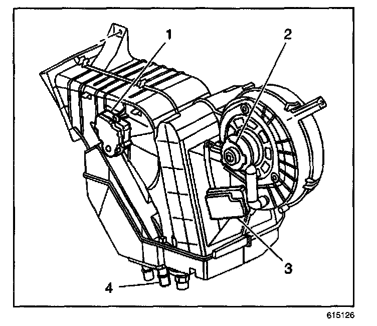
4. Remove the air temperature actuator (1) from the rear HVAC module.
INSTALLATION PROCEDURE

1. Install the air temperature actuator (1) to the rear HVAC module.
2. Install the retaining screws to the air temperature actuator.
3. Connect the electrical connector to the air temperature actuator.
4. Install the right rear quarter trim panel.
5. Calibrate the HVAC module actuators. Refer to Re-Calibrating Actuators in HVAC Systems - Automatic.