78. Control Valve Body Installation
^ Tools Required- J 25025-5 Guide Pins
- J 36850 Assembly Lubricant

1. Install the checkballs (2-6, 8, 12) in the valve body and retain checkballs with J 36850 or an equivalent.

2. Install the valve body over the J25025-5 Guide Pins, and connect the manual valve link to the manual valve.
3. Install two bolts to hold the valve body in place.
4. Remove the J 25025-5.

5. Install the fluid level indicator stop bracket (93) and the valve body bolts (62) that are shown only.
6. Finger tighten the bolts.

7. Inspect the Transmission Fluid Pressure (TFP) Manual Valve Position Switch Assembly for the following conditions:
^ Damage
^ Debris
^ Damaged or missing O-rings
^ Cracked connector
^ Loose pins

8. Install the TFP manual valve position switch (69) and bolts (62, 70).

9. Inspect the wiring harness solenoid assembly for the following conditions:
^ Damage
^ Cracked connectors
^ Exposed wires
^ Loose pins

10. Install the transmission wiring harness on the valve body.
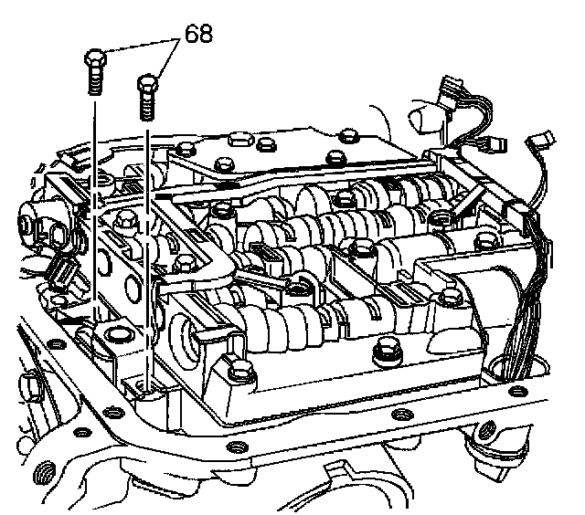
11. Install the TCC solenoid valve and bolts (68).

Important: You must tighten certain bolts in a spiral pattern as indicated by the arrows. If you tighten these bolts at random you may distort valve bores. This will inhibit valve operation.
Notice: Refer to Fastener Notice in Service Precautions.
12. Tighten the bolts in the order shown.
^ Tighten the bolts to 11 Nm (8 ft. lbs.). Each bolt number refers to a specific bolt size, as indicated by the following list:
^ 1 - M6 x 1.0 x 65.0
^ 2 - M6 x 1.0 x 54.4
^ 3 - M6 x 1.0 x 47.5
^ 4 - M6 x 1.0 x 35.0
^ 5 - M8 x 1.25 x 20.0
^ 6 - M6 x 1.0 x 12.0
^ 7 - M6 x 1.0 x 18.0

13. Install the TCC PWM solenoid valve (396) and the solenoid retainer (395).

14. Connect all electrical connectors (1-6) to the electrical components.