Front
The content of this article reflects the changes identified in TSB 05-03-08-006.Stabilizer Shaft Link Replacement
Removal Procedure

1. Raise and support the vehicle. Refer to Vehicle Lifting.
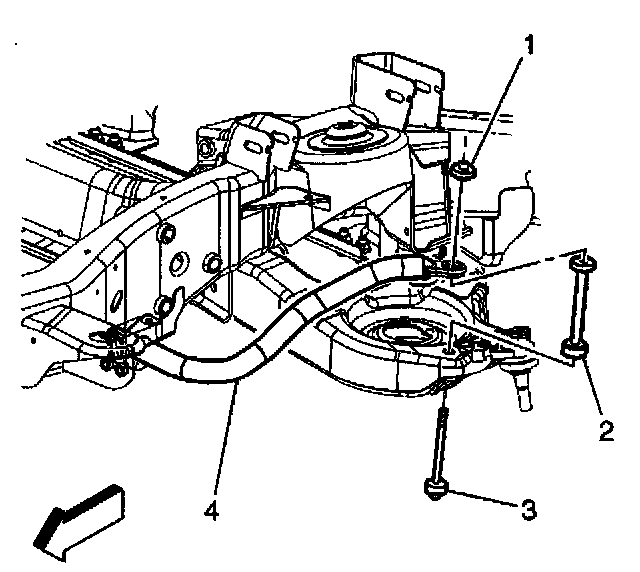
2. Remove the stabilizer shaft nut (1) from the link bolt.
3. Remove the stabilizer shaft link bolt (3).
4. Remove the stabilizer shaft link insulators and spacers (2).
5. Inspect all of the parts for wear and damage.
Installation Procedure

1. Install the stabilizer shaft link insulators and spacers (2).
2. Install the stabilizer shaft link bolts (3).
Notice: Refer to Fastener Notice in Service Precautions.
3. Install the stabilizer shaft nut (1 ) to the link bolt.
^ Tighten the nut to 10 Nm (89 inch lbs.). Continue tightening the nut until 2-4 threads protrude above the nut.
4. Remove the safety stands
5. Lower the vehicle.