Power Steering Pump Replacement
Power Steering Pump Replacement
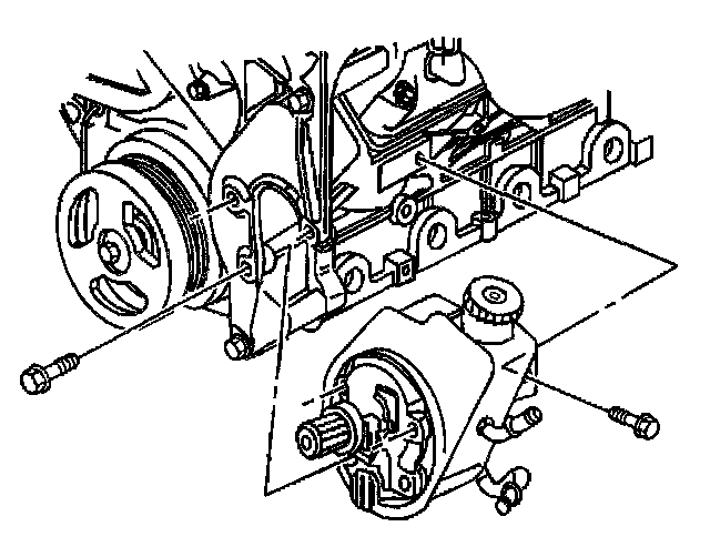
Removal Procedure

1. Place a drain pan under the pump.
2. Remove the power steering pulley. Refer to Power Steering Pulley Replacement.
3. Remove the hoses from the pump.
4. Remove the bolts from the front of the pump.

5. Remove the nuts (4) from the rear of the pump (1).
6. Remove the pump from the vehicle.
Installation Procedure
Notice: Refer to Fastener Notice in Service Precautions.

1. Install the pump.
2. Install the bolts to the front of the pump.
- Tighten the bolts to 50 Nm (37 ft. lbs.).

3. Install the nuts to the rear of the pump (1).
- Tighten the bolts to 50 Nm (37 ft. lbs.).
4. Install the hoses to the pump.
- Tighten the nut to 28 Nm (20 ft. lbs.).
5. Install the power steering pulley. Refer to Power Steering Pulley Replacement.
6. Fill and bleed the power steering system. Refer to Bleeding the Power Steering System.