25. Low and Reverse Clutch Piston Installation
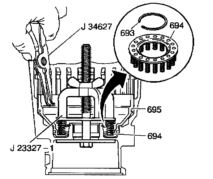
^ Tools Required- J 23327-1 Clutch Spring Compressor
- J 34627 Snap Ring Remover and Installer
- J 42628 Disc

1. Install the transmission (low and reverse clutch outer, center, inner) seals (696) on the low and reverse clutch piston (695).
2. Lubricate the seals with Transjel J 36850 or an equivalent.

3. Install the low and reverse clutch piston (695) into the case.
The notch in the piston must be aligned with the parking brake pawl window, in the case.

4. Install the low and reverse clutch spring assembly (694).
4.1. Using the J23327-1, compress the low and reverse clutch spring assembly (694).
4.2. Install the low and reverse clutch retainer ring (693).