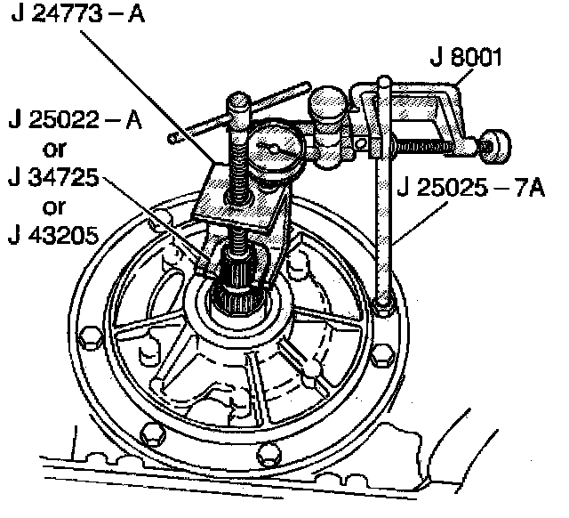
13. Transmission End Play Check
^ Tools Required- J 25022-A End Play Fixture Adapter (245 mm)
- J 34725 End Play Fixture Adapter (298 mm)
- J 43205 End Play Fixture Adapter (300 mm)
- J 24773-A Oil Pump Remover and End Play Checking Fixture
- J 8001 Dial Indicator Set
- J 25025-7A Dial Indicator Mounting Post

1. Install an end play fixture adapter.
^ Use J25022-A for a 245 mm turbine shaft (1).
^ Use J 34725 for a 298 mm turbine shaft (2).
^ Use J 43205 for a 300 mm turbine shaft (3).

2. Install the J24773-A.

3. Remove an oil pump bolt.
4. Install J 25025-7A (or a 278 mm or 11 in bolt) and lock nut.
5. Install J8001.

6. Set the J 8001 to zero.
7. Pull up on J24773-A.
Proper end play should be 0.13 - 0.92 mm (0.005 - 0.036 inch).
8. The selective washer (616), which controls the end play, is located between the input housing (621) and the thrust bearing (615) on the oil pump hub.
If the end play measurement is incorrect, refer to the Transmission End Play Check table. Choose a new selective washer (616) based on the original selective washer and the information contained in the table.
If the dial indicator shows no end play, the selective washer (616) and thrust bearing (615) may have been mis-assembled.
9. Correct the end play by changing the selective washer (616).