Operation CHARM: Car repair manuals for everyone.

Underhood Electrical Center Replacement

REMOVAL PROCEDURE

CAUTION: Refer to Battery Disconnect Caution in Service Precautions.




1. Disconnect the negative battery cable.
2. Remove the left fender upper brace.
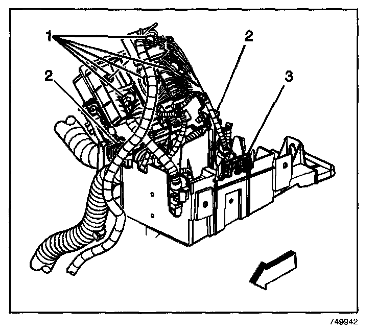
3. Remove the electrical center cover assemble by lifting the cover (3) outwards to clear the tabs.
4. Remove all fuses and relays.




5. Push on the tab (3) so that the electrical center can be rotated on the studs located at (2).
6. Remove all connectors by removing the bolt (1) for each connector.
7. Disconnect all connectors from the electrical center block.




8. Push on the tabs (2) in order to left the electrical center (1) out of the housing.




9. To replace the engine electrical center bracket remove the 4 retaining bolts.
10. Remove the engine electrical center bracket assembly from the fender.

INSTALLATION PROCEDURE




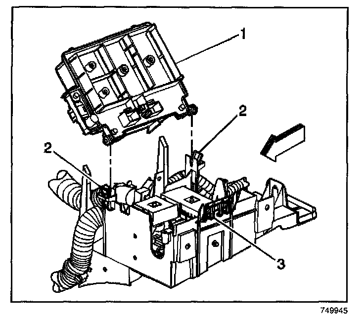
1. Install the engine electrical center bracket assembly to the front fender.

NOTE: Refer to Fastener Notice in Service Precautions.

2. Install the four retaining bolts (1).

Tighten
Tighten the four retaining bolts (1) to 9 N.m (80 lb in).




3. Align the electrical center block (1) stubs in the slots so that the tabs (2) retains it in place.




4. Connect the wire connectors to the lower portion of the electrical center block.
5. Connect the wire connectors with the bolts to the electrical center block.

Tighten
Tighten all connector bolts (1) to 9 N.m (80 lb in).

6. Ensure all wire connectors are securely connected.
7. Set the electrical center block in its resting position till the tabs (3) locks in place.




8. Install the lower part of the cover (1).
9. With the cover (2) off, use the fuse location information to install all fuses and relays.
10. Install the cover.
11. Install the fender upper brace.
12. Install the 4 fender upper brace bolts.

Tighten
Tighten the 4 retaining bolts to 25 N.m (18 lb ft).

13. Connect the negative battery cable.
14. Start vehicle and ensure all components function properly.