Removal and Replacement
Transmission Replacement^ Tools Required
- J 21366 Converter Holding Strap
Removal Procedure
Caution: Refer to Battery Disconnect Caution in Service Precautions.

1. Disconnect the battery.
2. Raise the vehicle. Refer to Vehicle Lifting.
3. Drain the transmission fluid.
4. Remove the rear propeller shaft.
5. Support the transmission with a transmission jack.
6. Remove the nut securing the transmission mount to the transmission support.
7. Remove the nuts and bolts securing the transmission support to the frame.
8. Raise the transmission slightly and remove the transmission support from the vehicle.
9. Remove the exhaust pipe assembly.
10. Remove the starter motor.
11. If the vehicle is equipped with a transfer case, remove the front propeller shaft.
12. Lower the transmission to gain access to the top and sides of the transmission.
13. Disconnect the vent tube hose and the electrical connections from the transfer case, if equipped.
14. Remove the transmission mount.
15. Remove the transfer case, if equipped.
16. Remove the shift cable end from the transmission shift lever ball stud and the pan rail bracket.

17. Remove the transmission heat shield.
18. Disconnect the transmission vent hose, the park/neutral position switch connector, and the main electrical connector from the transmission.

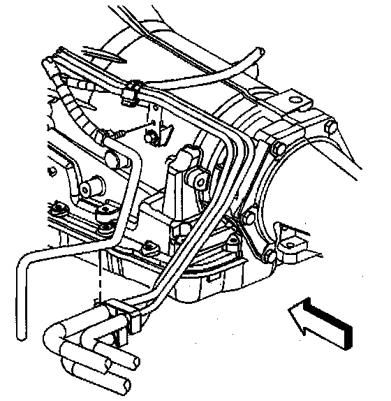
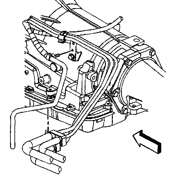
19. Remove the bolt that secures the fuel line bracket to the left side of the transmission.
20. Remove the torque converter access plug.
21. Remove the flywheel to torque converter bolts.
22. Disconnect the transmission oil cooler lines from the transmission.
23. Plug the transmission oil cooler line connectors in the transmission case.

24. Remove the stud and the bolt securing the transmission to the engine.

25. Remove the six studs and one bolt securing the transmission to the engine.
26. Install the J21366 onto the transmission bell housing to retain the torque converter.
27. Pull the transmission straight back.
28. Remove the transmission from the vehicle while simultaneously removing the fluid level indicator tube.
Installation Procedure

1. Install the J 21366 onto the transmission bell housing to retain the torque converter.
2. Support the transmission with a transmission jack.
3. Raise the transmission into place while simultaneously installing the fluid indicator tube.
4. Remove the J 21366 from the transmission.
5. Slide the transmission straight onto the locating pins while lining up the marks on the flywheel and the torque converter. The torque converter must rotate freely by hand.
Notice: Refer to Fastener Notice in Service Precautions.
6. Install six studs and one bolt securing the transmission to the engine.
^ Tighten the studs and the bolt to 50 Nm (37 ft. lbs.).

7. Install the stud and bolt securing the transmission to the engine.
^ Tighten the stud and the bolt to 50 Nm (37 ft. lbs.).
8. Install the flywheel to torque converter bolts.

9. Install the torque converter access plug.

10. Install the transmission vent hose, fuel lines, and the wiring harness to the transmission.

11. Install the two bolts securing the heat shield to the transmission.
^ Tighten the bolt to 17 Nm (13 ft. lbs.).
12. Install the shift cable to the shift lever ball stud and the bracket.
13. Install the transfer case, if equipped.

14. Install the two bolts and nut securing the transmission rear mount to the transmission.
^ Tighten the bolts and nut to 25 Nm (18 ft. lbs.).
15. Connect the vent hose and electrical connectors to the transfer case, if equipped.
16. If the vehicle is equipped with a transfer case, install the front propeller shaft.
17. Install the starter motor.
18. Install the exhaust pipe assembly.
19. Install the transmission support to the vehicle.
^ Tighten the bolts to 70 Nm (50 ft. lbs.).
20. Install the transmission mount to transmission support nut.
^ Tighten the to 40 Nm (29 ft. lbs.).
21. Remove the transmission jack.
22. Install the rear propeller shaft.
23. Flush the transmission oil cooler and cooling lines if necessary.
24. Connect the oil cooler lines to the transmission.
25. Lower the vehicle.
26. Connect the battery.
27. Add approved transmission fluid to the proper level.