Vacuum Brake Booster: Service and Repair
Vacuum Brake Booster ReplacementRemoval Procedure

1. Apply the parking brake.
2. Remove the brake master cylinder.
3. Remove the vacuum hose at the booster.

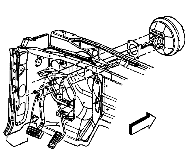
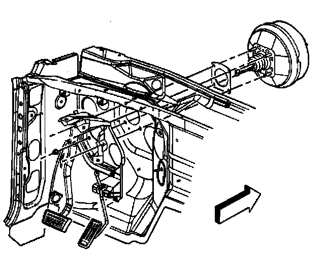
4. Disconnect the electrical connection from the stoplamp switch. Remove the pushrod retaining clip (4).
5. Remove the stoplamp switch (2).
6. Remove the pushrod (3) from the brake pedal stud (1).

7. Remove the vacuum booster mounting nuts.
8. Remove the vacuum booster.
9. Remove the gasket from the booster and discard.
Installation Procedure

1. Install the gasket to the booster
2. Install the vacuum booster.
Notice: Refer to Fastener Notice in Service Precautions.
3. Install the vacuum booster mounting nuts.
^ Tighten the nuts to 36 Nm (27 ft. lbs.).

4. Install the pushrod (3) to the brake pedal stud (1).
5. Install the stoplamp switch (2).
6. Connect the electrical connection to the stop lamp switch.
7. Install the vacuum hose at the booster.

8. Install the master cylinder.
9. Release the parking brake.