Operation CHARM
: Car repair manuals for everyone.
Home
>>
GMC
>>
2001
>>
C 1500 Yukon 2WD V8-5.3L VIN T
>>
Repair and Diagnosis
>>
Transmission and Drivetrain
>>
Automatic Transmission/Transaxle
>>
Locations
>>
Component Locations
>>
4L60-E/4L65-E Automatic Transmission
>>
Electronic Component Locations
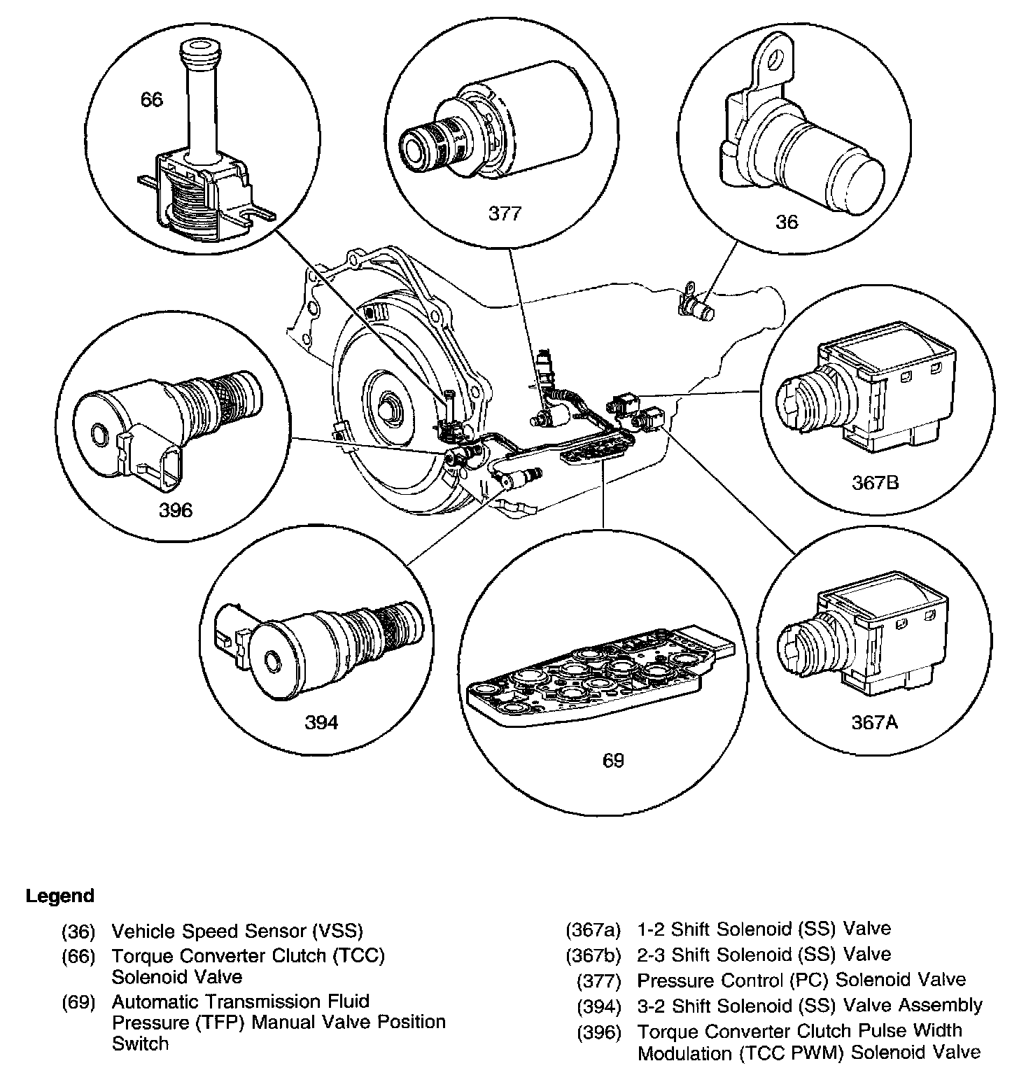
Electronic Component Locations