Left Rear
Park Brake Cable Replacement - Left RearRemoval Procedure

1. Release the park brake.
2. Raise and support the vehicle. Refer to Vehicle Lifting.
3. Relieve the tension on the park brake cables by loosening the nut at the equalizer.
4. Disconnect the cable at the equalizer.

5. Remove the cable from the mounting bracket by depressing the locking tabs.

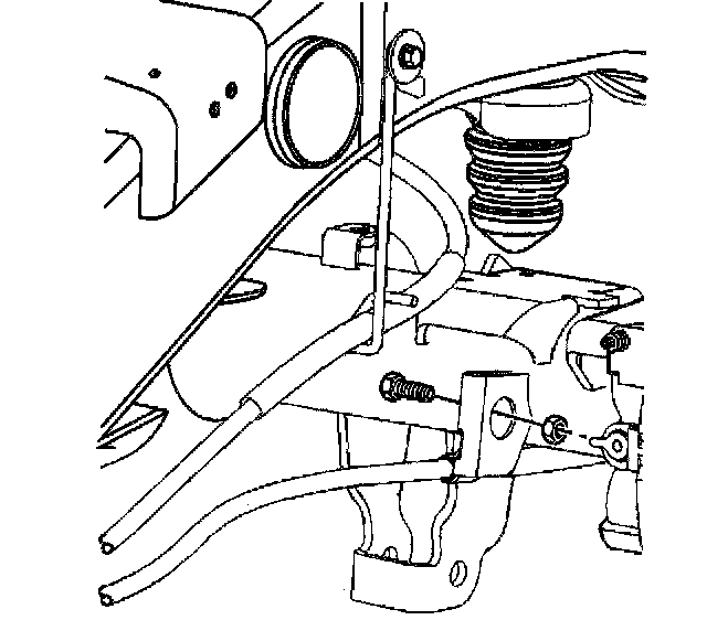
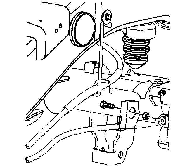
6. Remove the cable at the shock absorber bracket by removing the bolt.

7. Remove the cable from the lever (all except 15 series utilities).
8. Remove the cable from the backing plate by depressing the locking tabs.
9. Remove the cable.

10. Remove the cable from the lever (15 series utilities).
11. Remove the cable from the backing plate by depressing the locking tabs.
12. Remove the cable.
Installation Procedure

1. Install the cable taking care to correctly route the cable through the guides and the body mounts.
2. Install the cable to the backing plate by pressing the cable into place until locking tabs snap into place (15 series utilities).
3. Install the cable to the lever.

4. Install the cable taking care to correctly route the cable through the guides and the body mounts.
5. Install the cable to the backing plate by pressing the cable into place until locking tabs snap into place (all except 15 series utilities).
6. Install the cable to the lever.

Notice: Refer to Fastener Notice in Service Precautions.
7. Install the cable at the shock absorber bracket and install the bolt.
^ Tighten the bolt to 25 Nm (18 ft. lbs.).

8. Install the cable to the mounting bracket until the locking tabs snap into place.

9. Connect cable end to the equalizer.
10. Tighten the nut to the intermediate cable at the equalizer.
^ Tighten the nut to 3.5 Nm (31 inch lbs.).
11. Remove the safety stands.
12. Lower the vehicle.
13. Adjust the park brake cable.