Brake Pedal Assy: Service and Repair
Brake Pedal ReplacementRemoval Procedure

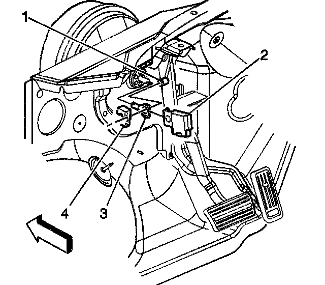
1. Disconnect the electrical connection from the stoplamp switch.
2. Remove the pushrod retaining clip (4).
3. Remove the stoplamp switch (2).
4. Remove the pushrod (3) from the brake pedal stud (1).

5. Remove the brake pedal bolt nut.
6. Remove the brake pedal bolt.
7. Remove the brake pedal.
Installation Procedure

1. Install the brake pedal.
2. Install the brake pedal bolt.
Notice: Refer to Fastener Notice in Service Precautions.
3. Install the brake pedal bolt nut.
^ Tighten the bolt to 47 Nm (35 ft. lbs.).

4. Install the pushrod (3) to the brake pedal pin (1).
5. Install the stoplamp switch (2).
6. Install the pushrod retaining clip (4).
7. Connect electrical connection to the stoplamp switch.