Hydraulic Control Assembly - Antilock Brakes: Service and Repair
Brake Pressure Modulator Valve (BPMV) ReplacementRemoval Procedure
Caution: Refer to Battery Disconnect Caution in Service Precautions.

1. Remove the negative battery cable.
Important: The area around the EHCU MUST be free from loose dirt to prevent contamination of disassembled ABS components.
2. Thoroughly wash all contaminants from around the EHCU.
3. Disconnect the 3 electrical harness connectors from the EBCM.
Important: Make sure that brake lines are tagged and kept in order for proper reassembly.
4. Disconnect 5 brake lines from the BPMV.
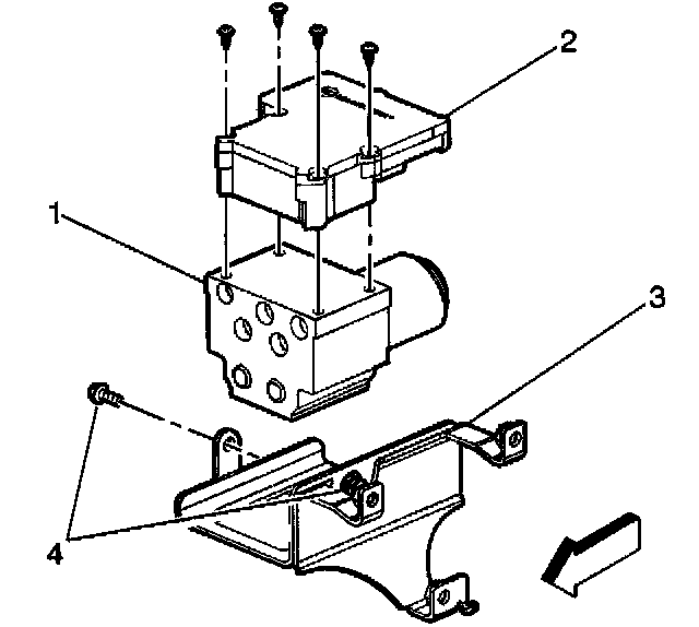
5. Remove the bolts (4) securing the EHCU mounting bracket (3) to the frame rail (5).
6. Remove the EHCU (1) from the vehicle.

7. Remove the bolts (4) securing the BPMV mounting bracket (3) to the BPMV (1).
8. Disconnect the 2 way ABS pump motor connector.
9. Remove the T-25 TORX0 bolts from the EBCM (2).
Important:
^ Do not use a tool to pry the EBCM or the BPMV. Excessive force will damage the EBCM.
^ Do not reuse the EBCM mounting bolts. Always install new bolts.
10. Remove the EBCM (2) from the BPMV (1). Removal may require a light amount of force.
11. Clean the EBCM to BPMV mounting surfaces with a clean cloth.
Installation Procedure

Important: Do not use RTV or any other type of sealant on the EBCM gasket or mating surfaces.
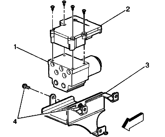
1. Install the EBCM (2) onto BPMV (1).
Notice: Refer to Fastener Notice in Service Precautions.
Important: Do not reuse the old mounting bolts. Always install new bolts with the new BPMV.
2. Install the four EBCM bolts.
^ Tighten the four bolts to 5 Nm (39 inch lbs.) in an X-pattern.
3. Connect the 2 way ABS pump motor connector to the EBCM.
4. Install the BPMV (1) to BPMV bracket (3).
5. Install the BPMV to bracket retaining bolts (4).
^ Tighten the bolts to 9 Nm (7 ft. lbs.).

6. Install the EHCU (1, 2) to the vehicle frame (5).
^ Tighten the three EHCU bracket bolts (4) to 25 Nm (18 ft. lbs.).
7. Connect the two electrical harness connectors to the EBCM (1).
Important: The brake pipes are held in the proper place by a frame mounted plastic bracket. Make sure that the brake pipes stay in the correct place for proper reassembly.
8. Install the 5 brake pipes to the BPMV (6).
^ Tighten the brake pipe fittings to 30 Nm (22 ft. lbs.).
9. Connect negative battery cable.
10. Bleed the brake system.